Запчасти Komatsu WA1200-6 ГИДРОТРАНСФОРМАТОР И ТРАНСМИССИЯ, ГИДРОТРАНСФОРМАТОР БЛОК (№()-) ГИДРОТРАНСФОРМАТОР И ТРАНСМИССИЯ

Схема запчастей Komatsu WA1200-6 - ГИДРОТРАНСФОРМАТОР И ТРАНСМИССИЯ, ГИДРОТРАНСФОРМАТОР БЛОК (№()-) ГИДРОТРАНСФОРМАТОР И ТРАНСМИССИЯ
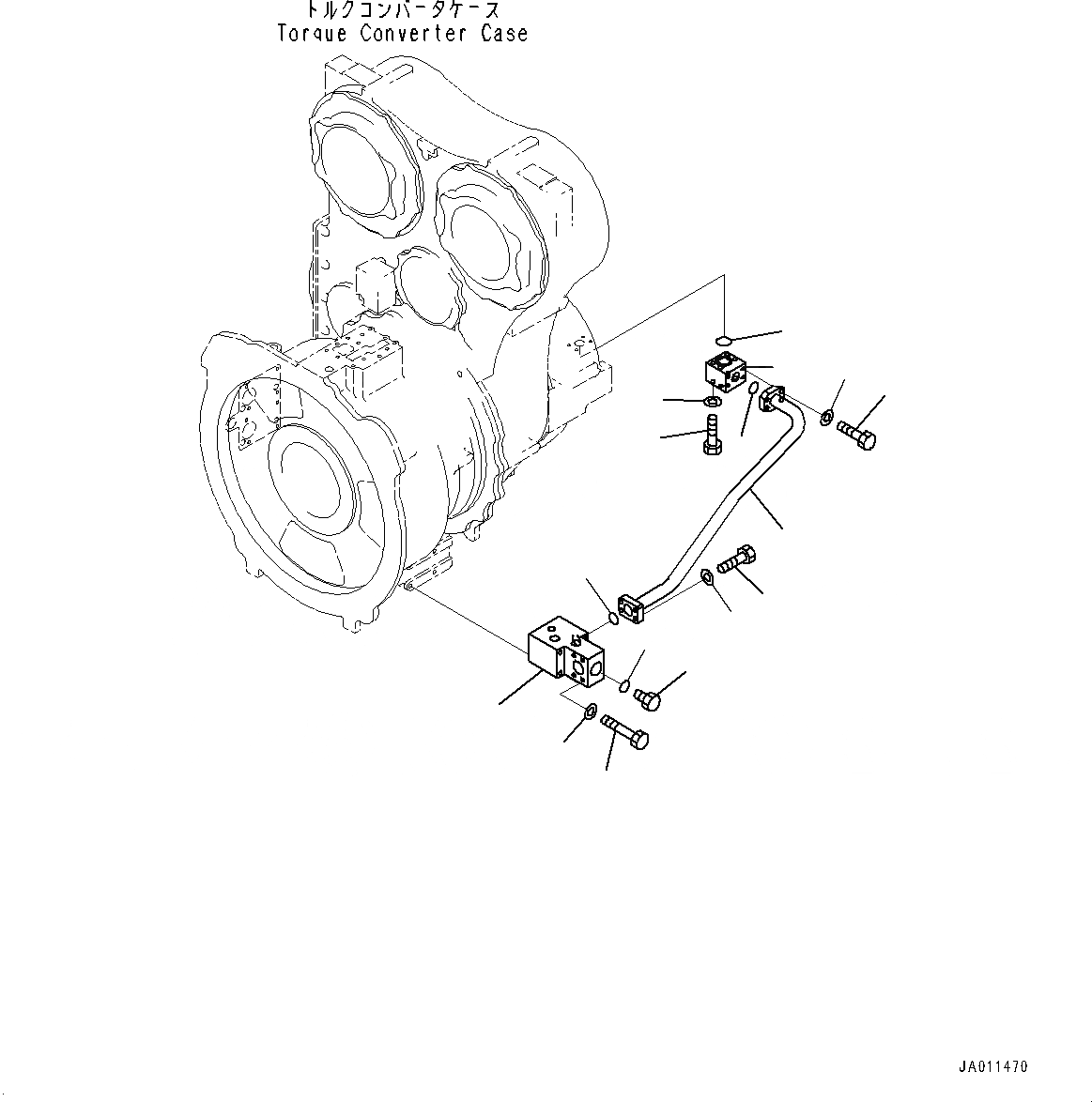
5
4
1
10
11
12
13
7
8
6
9
9
7
8
2
3
FIT
1:1
100%

Артикул

Название

Примечание

Количество

|$0

42C-13-20001

Torque Converter and Transmission Assembly

SN: (101201-UP

1шт.

|$1

42C-13-20000

Torque Converter and Transmission Assembly

SN: 60001-(101200

1шт.

|$2

42C-13-21000

Torque Converter Assembly

SN: 60001-UP

1шт.

1

42C-13-15751

Block

SN: (101201-UP

1шт.

1

42C-13-15750

Block

SN: 60001-(101200

1шт.

2

07040-14220

Plug

SN: (101201-UP

1шт.

3

07002-64234

O-ring, (Kit : K03)

SN: (101201-UP

1шт.

4

01011-81240

Bolt

SN: 60001-UP

4шт.

5

01643-31232

Washer

SN: 60001-UP

4шт.

6

42C-13-15740

Tube

SN: 60001-UP

1шт.

7

01010-81040

Bolt

SN: (101182-UP

8шт.

8

01643-31032

Washer

SN: 60001-UP

8шт.

9

07000-73038

O-ring, (Kit : K02, K03)

SN: 60001-UP

2шт.

10

42C-13-15760

Block

SN: 60001-UP

1шт.

11

07000-73042

O-ring, (Kit : K02, K03)

SN: 60001-UP

1шт.

12

01010-81085

Bolt

SN: 60001-UP

4шт.

13

01643-31032

Washer

SN: 60001-UP

4шт.

Выбрано товаров: 17