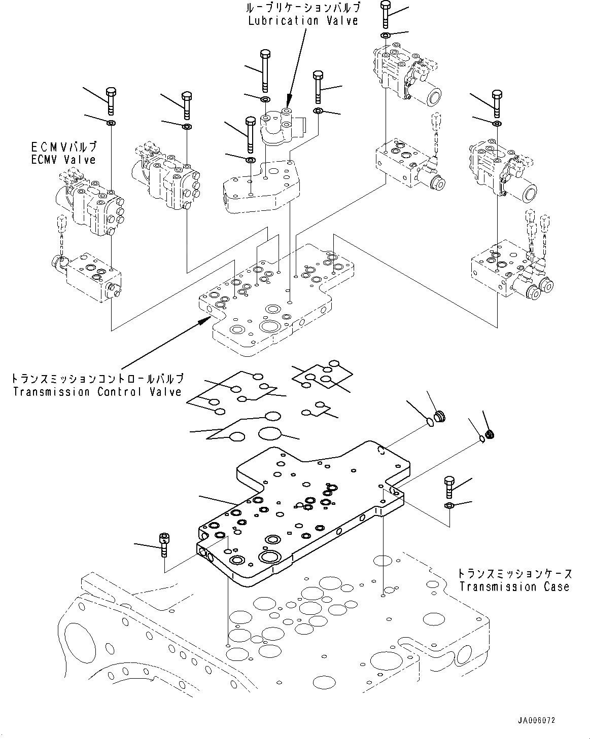
Запчасти Komatsu WA1200-6 ГИДРОТРАНСФОРМАТОР И ТРАНСМИССИЯ, КЛАПАН УПРАВЛЕНИЯ ТРАНСМИССИЕЙ СИДЕНЬЕ (№-) ГИДРОТРАНСФОРМАТОР И ТРАНСМИССИЯ

Схема запчастей Komatsu WA1200-6 - ГИДРОТРАНСФОРМАТОР И ТРАНСМИССИЯ, КЛАПАН УПРАВЛЕНИЯ ТРАНСМИССИЕЙ СИДЕНЬЕ (№-) ГИДРОТРАНСФОРМАТОР И ТРАНСМИССИЯ
19
14
19
13
1
21
18
20
17
21
18
15
16
12
9
8
6
7
6
6
7
11
10
21
18
2
3
4
5
FIT
1:1
100%

Артикул

Название

Примечание

Количество

|$0

42C-13-20001

Torque Converter and Transmission Assembly

SN: (101201-UP

1шт.

|$1

42C-13-20000

Torque Converter and Transmission Assembly

SN: 60001-(101200

1шт.

|$2

42C-15-21001

Transmission Assembly

SN: (101201-UP

1шт.

|$3

42C-15-21000

Transmission Assembly

SN: 60001-(101200

1шт.

1

42C-15-25830

Seat, Valve

SN: 60001-UP

1шт.

2

723-11-15110

Plug

SN: 60001-UP

3шт.

3

07002-61623

O-ring, (Kit : K10)

SN: 60001-UP

3шт.

4

720-2M-11550

Plug

SN: 60001-UP

7шт.

5

07002-62034

O-ring, (Kit : K10)

SN: 60001-UP

7шт.

6

07000-72018

O-ring, (Kit : K05, K06)

SN: 60001-UP

6шт.

7

07000-72021

O-ring, (Kit : K05, K06)

SN: 60001-UP

7шт.

8

07000-73032

O-ring, (Kit : K05, K06)

SN: 60001-UP

2шт.

9

07000-73050

O-ring, (Kit : K05, K06)

SN: 60001-UP

1шт.

10

01010-81050

Bolt

SN: 60001-UP

7шт.

11

01643-31032

Washer

SN: 60001-UP

7шт.

12

01252-71035

Bolt, Hexagon Socket Head

SN: 60001-UP

7шт.

13

01011-81070

Bolt

SN: 60001-UP

1шт.

14

01011-81025

Bolt

SN: 60001-UP

1шт.

15

01010-81095

Bolt

SN: 60001-UP

2шт.

16

01643-31032

Washer

SN: 60001-UP

2шт.

17

19M-15-15280

Bolt

SN: 60001-UP

4шт.

18

42C-15-15520

Bolt

SN: 60001-UP

6шт.

19

01643-31032

Washer

SN: 60001-UP

2шт.

20

01643-30823

Washer

SN: 60001-UP

4шт.

21

42C-15-15530

Washer

SN: 60001-UP

6шт.

Выбрано товаров: 25