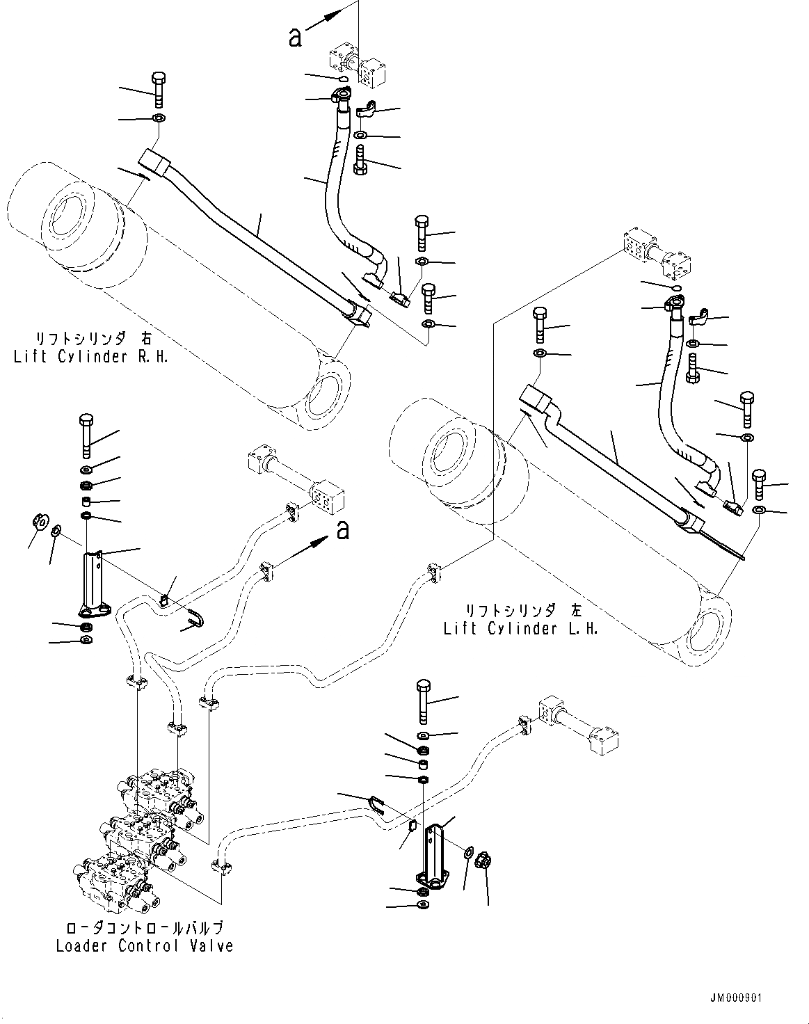
Запчасти Komatsu WA1200-6 ГИДРОЛИНИЯ, ГИДРОЦИЛИНДР ПОДЪЕМА HEAD ТРУБЫ (/) (№-) ГИДРОЛИНИЯ

Схема запчастей Komatsu WA1200-6 - ГИДРОЛИНИЯ, ГИДРОЦИЛИНДР ПОДЪЕМА HEAD ТРУБЫ (/) (№-) ГИДРОЛИНИЯ
2
1
13
3
4
15
14
15
16
17
19
20
14
18
5
6
11
12
27
28
26
22
7
21
23
22
23
24
25
8
9
10
31
30
35
36
29
37
38
33
32
30
31
34
40
41
45
47
48
39
46
43
42
40
41
44
FIT
1:1
100%

Артикул

Название

Примечание

Количество

1

42C-62-14115

Tube,L.H.

SN: 60004-UP

1шт.

2

07000-F2060

O-ring

SN: 60004-UP

1шт.

3

01643-31845

Washer

SN: 60004-UP

4шт.

4

01011-81830

Bolt

SN: 60004-UP

4шт.

5

01643-31445

Washer, Flat

SN: 60004-UP

2шт.

6

01010-81430

Bolt

SN: 60004-UP

2шт.

7

42C-62-14125

Tube,R.H.

SN: 60004-UP

1шт.

8

07000-F2060

O-ring

SN: 60004-UP

1шт.

9

01643-31845

Washer

SN: 60004-UP

4шт.

10

01011-81830

Bolt

SN: 60004-UP

4шт.

11

01643-31445

Washer, Flat

SN: 60004-UP

2шт.

12

01010-81430

Bolt

SN: 60004-UP

2шт.

13

42C-62-11881

Hose

SN: 60004-UP

1шт.

14

07000-F2060

O-ring

SN: 60004-UP

2шт.

15

07371-52080

Flange, Split

SN: 60004-UP

2шт.

16

01643-31845

Washer

SN: 60004-UP

4шт.

17

01010-81865

Bolt

SN: 60004-UP

4шт.

18

07371-52080

Flange, Split

SN: 60004-UP

2шт.

19

01643-31845

Washer

SN: 60004-UP

4шт.

20

01010-81865

Bolt

SN: 60004-UP

4шт.

21

42C-62-11881

Hose

SN: 60004-UP

1шт.

22

07000-F2060

O-ring

SN: 60004-UP

2шт.

23

07371-52080

Flange, Split

SN: 60004-UP

2шт.

24

01643-31845

Washer

SN: 60004-UP

4шт.

25

01010-81865

Bolt

SN: 60004-UP

4шт.

26

07371-52080

Flange, Split

SN: 60004-UP

2шт.

27

01643-31845

Washer

SN: 60004-UP

4шт.

28

01010-81865

Bolt

SN: 60004-UP

4шт.

29

42C-62-14551

Bracket

SN: 60004-UP

1шт.

30

421-64-23120

Cushion

SN: 60004-UP

6шт.

31

421-70-11280

Washer

SN: 60004-UP

6шт.

32

421-64-23140

Spacer

SN: 60004-UP

3шт.

33

421-64-23130

Cushion

SN: 60004-UP

3шт.

34

01010-81660

Bolt

SN: 60004-UP

3шт.

35

07283-54353

Seat

SN: 60004-UP

1шт.

36

07283-34354

Clip, Pipe

SN: 60004-UP

1шт.

37

01643-31032

Washer

SN: 60004-UP

2шт.

38

01597-01009

Nut

SN: 60004-UP

2шт.

39

42C-62-14551

Bracket

SN: 60004-UP

1шт.

40

421-64-23120

Cushion

SN: 60004-UP

6шт.

41

421-70-11280

Washer

SN: 60004-UP

6шт.

42

421-64-23140

Spacer

SN: 60004-UP

3шт.

43

421-64-23130

Cushion

SN: 60004-UP

3шт.

44

01010-81660

Bolt

SN: 60004-UP

3шт.

45

07283-54353

Seat

SN: 60004-UP

1шт.

46

07283-34354

Clip, Pipe

SN: 60004-UP

1шт.

47

01643-31032

Washer

SN: 60004-UP

2шт.

48

01597-01009

Nut

SN: 60004-UP

2шт.

Выбрано товаров: 0