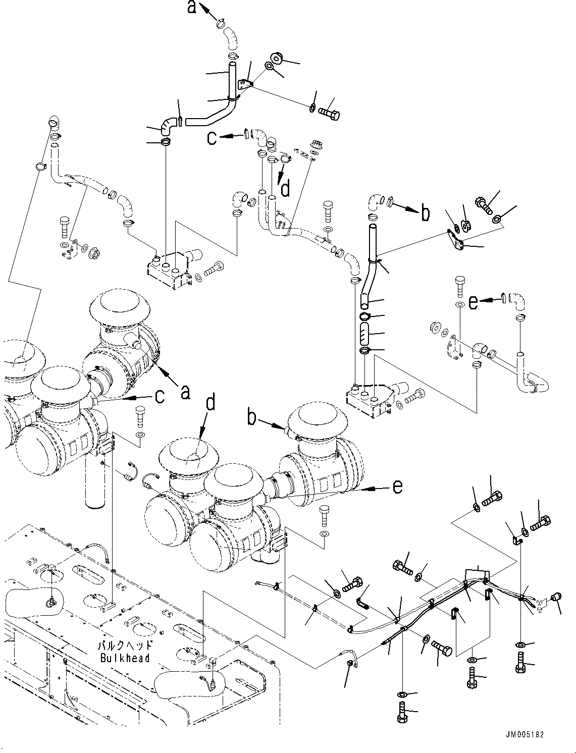
Запчасти Komatsu WA1200-6 ДВИГАТЕЛЬ БЛОК, ВОЗДУХООЧИСТИТЕЛЬ ВОЗДУХОВОДЫ (№-) ДВИГАТЕЛЬ БЛОК

Схема запчастей Komatsu WA1200-6 - ДВИГАТЕЛЬ БЛОК, ВОЗДУХООЧИСТИТЕЛЬ ВОЗДУХОВОДЫ (№-) ДВИГАТЕЛЬ БЛОК
24
23
14
17
18
19
18
19
24
16
24
16
13
19
18
20
20
20
20
20
23
24
23
21
22
18
19
23
6
8
4
9
2
5
1
8
9
3
7
5
6
7
11
10
11
11
10
11
15
12
FIT
1:1
100%

Артикул

Название

Примечание

Количество

1

42C-01-14261

Tube,L.H.

SN: 60015-UP

1шт.

2

42C-01-14271

Tube,R.H.

SN: 60015-UP

1шт.

3

42C-01-14280

Bracket,L.H.

SN: 60015-UP

1шт.

4

42C-01-14290

Bracket,R.H.

SN: 60015-UP

1шт.

5

01010-D1230

Bolt

SN: 60015-UP

4шт.

6

01643-71232

Washer

SN: 60015-UP

4шт.

7

07283-35150

Clip

SN: 60015-UP

2шт.

8

01597-01009

Nut

SN: 60015-UP

4шт.

9

01643-31032

Washer

SN: 60015-UP

4шт.

10

6162-13-5870

Hose

SN: 60015-UP

2шт.

11

07299-00055

Clamp

SN: 60015-UP

4шт.

12

427-01-21610

Elbow

SN: 60023-UP

1шт.

13

08672-01000

Indicator

SN: 60015-UP

2шт.

14

08671-50160

Hose

SN: 60015-UP

1шт.

15

425-03-11420

Plate

SN: 60015-UP

1шт.

16

425-03-11420

Plate

SN: 60015-UP

2шт.

17

23B-06-44241

Bracket

SN: 60015-UP

1шт.

18

01010-81020

Bolt

SN: 60015-UP

7шт.

19

01643-31032

Washer

SN: 60015-UP

7шт.

20

04434-51410

Clip

SN: 60015-UP

7шт.

21

04434-51910

Clip

SN: 60015-UP

6шт.

22

07095-40213

Cushion

SN: 60015-UP

6шт.

23

01010-81025

Bolt

SN: 60015-UP

5шт.

24

01643-31032

Washer

SN: 60015-UP

5шт.

Выбрано товаров: 24