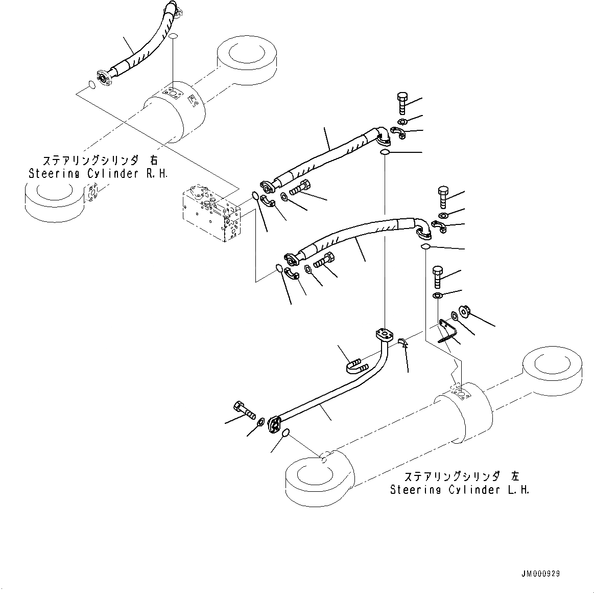
Запчасти Komatsu WA1200-6 РУЛЕВ. УПРАВЛЕНИЕ ГИДРОЛИНИЯ, ЦИЛИНДР РУЛЕВ. УПР-Я ТРУБЫ (/) (№-) РУЛЕВ. УПРАВЛЕНИЕ ГИДРОЛИНИЯ

Схема запчастей Komatsu WA1200-6 - РУЛЕВ. УПРАВЛЕНИЕ ГИДРОЛИНИЯ, ЦИЛИНДР РУЛЕВ. УПР-Я ТРУБЫ (/) (№-) РУЛЕВ. УПРАВЛЕНИЕ ГИДРОЛИНИЯ
1
13
14
16
15
2
3
5
4
21
13
20
1
10
9
12
11
8
7
19
18
17
22
24
23
21
27
26
25
6
FIT
1:1
100%

Артикул

Название

Примечание

Количество

1

42C-62-17541

Hose

SN: 60001-UP

2шт.

2

42C-62-12691

Tube,L.H.

SN: 60001-UP

1шт.

3

07000-F3048

O-ring

SN: 60001-UP

1шт.

4

01643-31445

Washer, Flat

SN: 60001-UP

4шт.

5

01010-81450

Bolt

SN: 60001-UP

4шт.

6

42C-62-12712

Bracket,L.H.

SN: 60002-UP

1шт.

6

42C-62-12711

Bracket,L.H.

SN: 60001-60001

1шт.

7

01643-31445

Washer, Flat

SN: 60001-UP

2шт.

8

01010-81430

Bolt

SN: 60001-UP

2шт.

9

07283-54353

Seat

SN: 60001-UP

1шт.

10

07283-34354

Clip, Pipe

SN: 60001-UP

1шт.

11

01643-31032

Washer

SN: 60001-UP

2шт.

12

01597-01009

Nut

SN: 60001-UP

2шт.

13

07000-F3048

O-ring

SN: 60001-UP

2шт.

14

07371-51470

Flange, Split

SN: 60001-UP

2шт.

15

01643-31445

Washer, Flat

SN: 60001-UP

4шт.

16

01010-81455

Bolt

SN: 60001-UP

4шт.

17

07371-51470

Flange, Split

SN: 60001-UP

2шт.

18

01643-31445

Washer, Flat

SN: 60001-UP

4шт.

19

01010-81455

Bolt

SN: 60001-UP

4шт.

20

42C-62-11872

Hose

SN: 60001-UP

1шт.

21

07000-F3048

O-ring

SN: 60001-UP

2шт.

22

07371-51470

Flange, Split

SN: 60001-UP

2шт.

23

01643-31445

Washer, Flat

SN: 60001-UP

4шт.

24

01010-81455

Bolt

SN: 60001-UP

4шт.

25

07371-51470

Flange, Split

SN: 60001-UP

2шт.

26

01643-31445

Washer, Flat

SN: 60001-UP

4шт.

27

01010-81455

Bolt

SN: 60001-UP

4шт.

Выбрано товаров: 28