Запчасти Komatsu WA1200-6 МОСТ КРЕПЛЕНИЕ (№-) МОСТ КРЕПЛЕНИЕ

Схема запчастей Komatsu WA1200-6 - МОСТ КРЕПЛЕНИЕ (№-) МОСТ КРЕПЛЕНИЕ
1
2
3
4
5
6
7
8
9
10
11
12
13
14
15
16
17
18
19
20
21
22
23
24
25
26
27
28
29
30
31
3
8
13
21
27
30
31
FIT
1:1
100%

Артикул

Название

Примечание

Количество

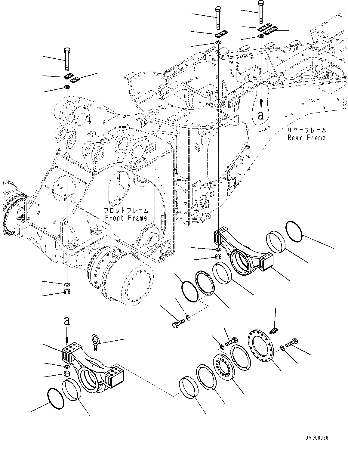
1

42C-46-17310

Support,Front

SN: 60001-UP

1шт.

2

42C-46-17210

Bolt

SN: 60001-UP

6шт.

3

01643-34512

Washer, Flat

SN: 60001-UP

12шт.

4

01580-04536

Nut

SN: 60001-UP

6шт.

5

42C-46-17180

Retainer

SN: 60001-UP

1шт.

6

01010-61450

Bolt

SN: 60001-UP

8шт.

7

01643-31445

Washer, Flat

SN: 60001-UP

8шт.

8

42C-46-17140

Bushing

SN: 60001-UP

2шт.

9

42C-46-17150

Seal

SN: 60001-UP

1шт.

10

42C-46-17160

Seal

SN: 60001-UP

1шт.

10

428-99-80070

Adhesive,Not Shown

SN: 60002-UP

1шт.

10

428-99-80080

Primer,Not Shown

SN: 60002-UP

1шт.

11

42C-46-17410

Support,Rear

SN: 60001-UP

1шт.

12

42C-46-17210

Bolt

SN: 60001-UP

12шт.

13

01643-34512

Washer, Flat

SN: 60001-UP

24шт.

14

01580-04536

Nut

SN: 60001-UP

12шт.

15

42C-46-17131

Cover

SN: 60001-UP

1шт.

16

01011-63620

Bolt

SN: 60001-UP

16шт.

17

01643-33690

Washer

SN: 60001-UP

16шт.

18

42C-46-17171

Plate, Thrust

SN: 60001-UP

1шт.

19

01011-63680

Bolt

SN: 60001-UP

16шт.

20

01643-33690

Washer

SN: 60001-UP

16шт.

21

42C-46-17140

Bushing

SN: 60001-UP

2шт.

22

42C-46-17190

Washer, Thrust

SN: 60001-UP

2шт.

23

42C-46-17150

Seal

SN: 60001-UP

1шт.

24

07029-00000

Valve, Relief

SN: 60001-UP

1шт.

25

04530-11222

Bolt, Eye

SN: 60001-UP

1шт.

26

42C-46-17221

Bolt

SN: 60001-UP

16шт.

27

01643-34512

Washer, Flat

SN: 60001-UP

32шт.

28

01580-04536

Nut

SN: 60001-UP

16шт.

29

42C-46-12380

Plate

SN: 60001-UP

2шт.

30

42C-46-12390

Plate

SN: 60001-UP

4шт.

31

42C-46-12370

Plate

SN: 60001-UP

8шт.

Выбрано товаров: 33