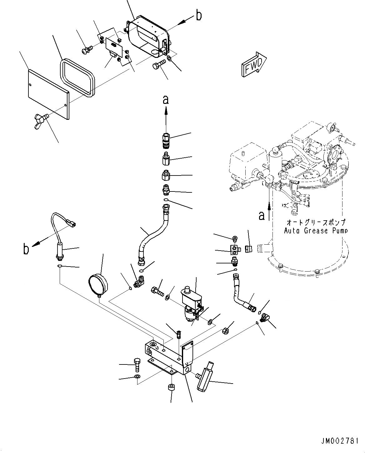
Запчасти Komatsu WA1200-6 АВТОМАТИЧ.-СИСТ. СМАЗКИ СИСТЕМА, НАСОС СМАЗКИ КОМПОНЕНТЫ (№-) АВТОМАТИЧ.-СИСТ. СМАЗКИ СИСТЕМА

Схема запчастей Komatsu WA1200-6 - АВТОМАТИЧ.-СИСТ. СМАЗКИ СИСТЕМА, НАСОС СМАЗКИ КОМПОНЕНТЫ (№-) АВТОМАТИЧ.-СИСТ. СМАЗКИ СИСТЕМА
1
2
3
4
5
6
7
8
9
10
11
14
15
16
17
18
19
20
21
22
23
24
25
26
27
28
29
30
31
32
33
34
35
36
37
38
40
7
40
39
41
24
13
12
FIT
1:1
100%

Артикул

Название

Примечание

Количество

1

42C-S95-3120

Filter

SN: 60004-60014

1шт.

2

02765-00303

Hose, Face Seal Type

SN: 60004-60014

1шт.

3

02782-10311

Elbow

SN: 60004-60014

1шт.

4

426-S95-4580

Tee

SN: 60004-60014

1шт.

5

07043-70312

Plug

SN: 60004-60014

1шт.

6

8296-62-1470

Connector

SN: 60004-60014

1шт.

7

02896-11009

O-ring

SN: 60004-60014

2шт.

8

07002-11423

O-ring

SN: 60004-60014

1шт.

9

581-95-12150

Bushing

SN: 60004-60014

1шт.

10

427-S95-2160

Nipple

SN: 60004-60014

1шт.

11

427-S95-2420

Switch

SN: 60004-60014

1шт.

12

08021-00400

Connector

SN: 60004-60014

1шт.

13

08022-04001

Connector

SN: 60004-60014

1шт.

14

427-S95-2410

Gauge, Pressure

SN: 60004-60014

1шт.

15

01643-30623

Washer

SN: 60004-60014

2шт.

16

01010-80620

Bolt

SN: 60004-60014

2шт.

17

01643-30623

Washer

SN: 60004-60014

2шт.

18

01580-10605

Nut

SN: 60004-60014

2шт.

19

21J-62-14430

O-ring

SN: 60004-60014

1шт.

19

42C-S95-1282

Box Assembly, Timer

SN: 60004-60014

1шт.

20

01023-60314

Screw

SN: 60004-60014

6шт.

21

23S-54-27930

Seal, Door

SN: 60004-60014

1шт.

22

427-S95-4471

Timer

SN: 60004-60014

1шт.

23

42C-S95-1613

Box, Timer

SN: 60004-60014

1шт.

24

42C-S95-1630

Clamp

SN: 60004-60014

6шт.

25

01010-80816

Bolt

SN: 60004-60014

4шт.

26

01643-30823

Washer

SN: 60004-60014

4шт.

27

42C-S95-1621

Cover

SN: 60004-60014

1шт.

28

01434-00820

Bolt, Wing

SN: 60004-60014

2шт.

29

42C-S95-1270

Switch, Pressure

SN: 60004-60014

1шт.

30

42C-S95-1830

Block

SN: 60004-60014

1шт.

31

01010-81040

Bolt

SN: 60004-60014

2шт.

32

01643-31032

Washer

SN: 60004-60014

2шт.

33

421-64-15110

Spacer

SN: 60004-60014

2шт.

34

42C-S95-1570

Coupling

SN: 60004-60014

1шт.

35

42C-S95-1580

Coupling

SN: 60004-60014

1шт.

36

205-977-7320

Adapter

SN: 60004-60014

1шт.

37

8255-62-4591

Connector

SN: 60004-60014

1шт.

38

02765-004A3

Hose, Face Seal Type

SN: 60004-60014

1шт.

39

02782-10420

Elbow

SN: 60004-60014

1шт.

40

02896-21012

O-ring

SN: 60004-60014

2шт.

41

07002-11823

O-ring

SN: 60004-60014

1шт.

Выбрано товаров: 42