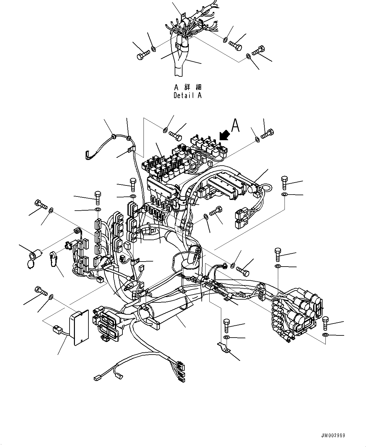
Запчасти Komatsu WA1200-6 ПОЛ, ЭЛЕКТРИЧ. ЧАСТИ (№-) ПОЛ, С TRAINER СИДЕНЬЕ, VHMS, ORBCOMM

Схема запчастей Komatsu WA1200-6 - ПОЛ, ЭЛЕКТРИЧ. ЧАСТИ (№-) ПОЛ, С TRAINER СИДЕНЬЕ, VHMS, ORBCOMM
2
3
7
8
10
11
12
16
26
28
29
30
31
12
17
18
22
23
24
17
16
16
18
1
37
36
35
34
32
41
38
33
5
6
4
42
43
15
14
1
40
39
30
31
25
27
13
9
20
21
19
FIT
1:1
100%

Артикул

Название

Примечание

Количество

1

42C-06-22283

Wiring Harness Assembly

SN: 60002-UP

1шт.

|$1

42C-06-22281

Wiring Harness Assembly

SN: 60001-60001

1шт.

2

198-Z11-2640

Socket Assembly

SN: 60001-UP

1шт.

3

562-43-15810

Cap

SN: 60001-UP

1шт.

4

22U-06-22251

Converter

SN: 60001-UP

1шт.

5

01010-80612

Bolt

SN: 60001-UP

2шт.

6

01643-30623

Washer

SN: 60001-UP

2шт.

7

01010-81020

Bolt

SN: 60001-UP

1шт.

8

01643-31032

Washer

SN: 60001-UP

1шт.

9

04434-51010

Clip

SN: 60001-UP

1шт.

10

01010-81020

Bolt

SN: 60001-UP

1шт.

11

01643-31032

Washer

SN: 60001-UP

1шт.

12

08037-01008

Grommet

SN: 60001-UP

2шт.

13

04434-53411

Clip

SN: 60001-UP

1шт.

14

01010-81020

Bolt

SN: 60001-UP

2шт.

15

01643-31032

Washer

SN: 60001-UP

2шт.

16

04434-52711

Clip

SN: 60001-UP

2шт.

17

01010-81020

Bolt

SN: 60001-UP

2шт.

18

01643-31032

Washer

SN: 60001-UP

2шт.

19

04434-53211

Clip

SN: 60001-UP

1шт.

20

01010-81020

Bolt

SN: 60001-UP

1шт.

21

01643-31032

Washer

SN: 60001-UP

1шт.

22

04434-51610

Clip

SN: 60001-UP

1шт.

23

01010-81020

Bolt

SN: 60001-UP

1шт.

24

01643-31032

Washer

SN: 60001-UP

1шт.

25

04434-51410

Clip

SN: 60001-UP

1шт.

26

04434-50610

Clip

SN: 60001-UP

1шт.

27

04434-51010

Clip

SN: 60001-UP

1шт.

28

01010-81020

Bolt

SN: 60001-UP

1шт.

29

01643-31032

Washer

SN: 60001-UP

1шт.

30

01010-81020

Bolt

SN: 60001-UP

6шт.

31

01643-31032

Washer

SN: 60001-UP

6шт.

32

04434-51010

Clip

SN: 60001-UP

1шт.

33

04434-50610

Clip

SN: 60001-UP

1шт.

34

01010-81020

Bolt

SN: 60001-UP

1шт.

35

01643-31032

Washer

SN: 60001-UP

1шт.

36

01010-81020

Bolt

SN: 60001-UP

1шт.

37

01643-31032

Washer

SN: 60001-UP

1шт.

38

04434-50810

Clip

SN: 60001-UP

2шт.

39

01010-81020

Bolt

SN: 60001-UP

2шт.

40

01643-31032

Washer

SN: 60001-UP

2шт.

41

08053-01510

Clip

SN: 60001-UP

1шт.

42

01010-81020

Bolt

SN: 60001-UP

1шт.

43

01643-31032

Washer

SN: 60001-UP

1шт.

Выбрано товаров: 0