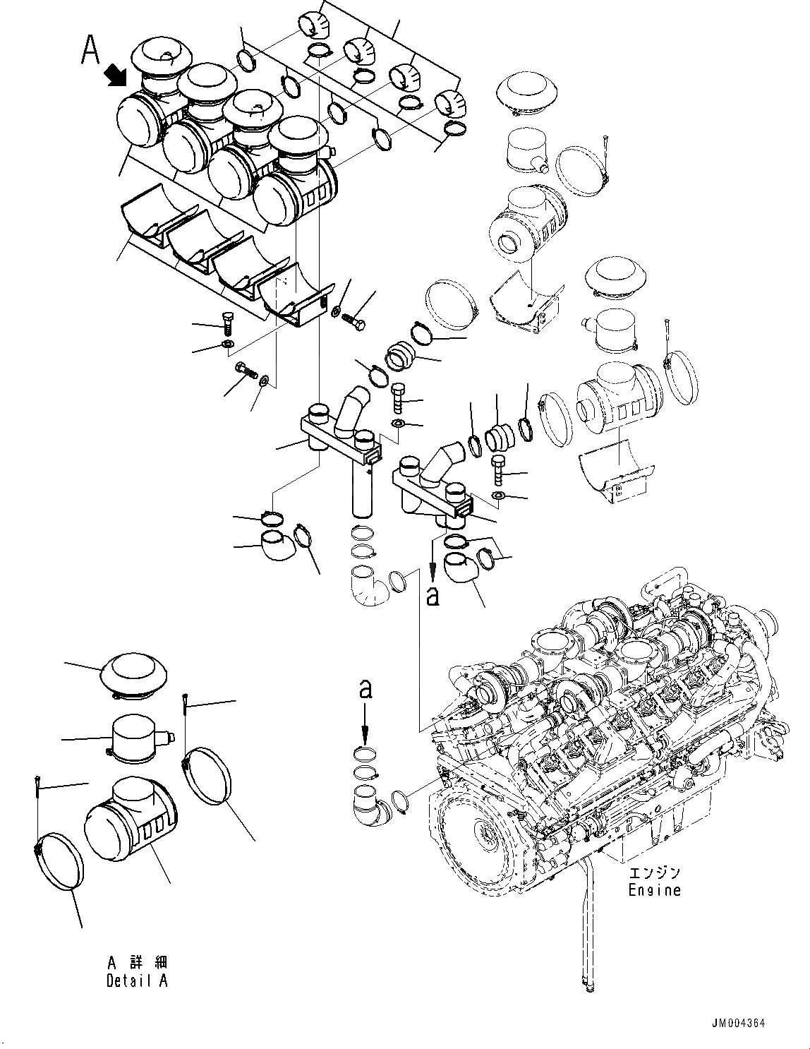
Запчасти Komatsu WA1200-6 BULKHEAD, ВОЗДУХООЧИСТИТЕЛЬ ASSEMBLY (№-) BULKHEAD, БЕЗ EC REGULATION ARRANGEMENT

Схема запчастей Komatsu WA1200-6 - BULKHEAD, ВОЗДУХООЧИСТИТЕЛЬ ASSEMBLY (№-) BULKHEAD, БЕЗ EC REGULATION ARRANGEMENT
17
16
17
16
14
15
18
19
19
19
18
10
2
2
4
1
3
3
11
1
13
12
22
20
21
22
20
21
7
6
5
6
7
8
9
FIT
1:1
100%

Артикул

Название

Примечание

Количество

1

6240-81-7402

Air Cleaner Assembly

SN: 60015-UP

4шт.

|$1

600-185-6100

Element Assembly

SN: 60015-UP

1шт.

|$2

600-184-1671

O-ring

SN: 60015-UP

1шт.

|$3

600-185-6110

Element

SN: 60015-UP

1шт.

|$4

600-185-6120

Element

SN: 60015-UP

1шт.

2

6240-11-9910

Band

SN: 60015-UP

8шт.

3

6643-11-4641

Bolt

SN: 60015-UP

8шт.

4

600-183-7521

Pre-cleaner

SN: 60015-UP

4шт.

5

42C-01-14130

Bracket

SN: 60015-UP

4шт.

6

01010-D1235

Bolt

SN: 60015-UP

24шт.

7

01643-71232

Washer

SN: 60015-UP

24шт.

8

01010-D1220

Bolt

SN: 60015-UP

16шт.

9

01643-71232

Washer

SN: 60015-UP

16шт.

10

600-181-5470

Hood

SN: 60015-UP

4шт.

11

42C-01-13150

Hose

SN: 60015-UP

4шт.

12

42C-01-13290

Clamp, Hose

SN: 60015-UP

4шт.

13

07299-00160

Clamp, Hose

SN: 60015-UP

4шт.

14

42C-01-14581

Duct

SN: 60015-UP

1шт.

15

42C-01-14591

Duct

SN: 60015-UP

1шт.

16

01010-D1225

Bolt

SN: 60015-UP

8шт.

17

01643-71232

Washer

SN: 60015-UP

8шт.

18

568-02-22240

Elbow

SN: 60015-UP

2шт.

19

07299-00160

Clamp, Hose

SN: 60015-UP

4шт.

20

569-02-12230

Hose

SN: 60015-UP

2шт.

21

42C-01-13290

Clamp, Hose

SN: 60015-UP

2шт.

22

07299-00160

Clamp, Hose

SN: 60015-UP

2шт.

Выбрано товаров: 26