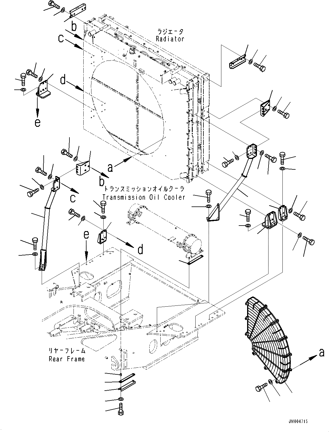
Запчасти Komatsu WA1200-6 ВЕНТИЛЯТОР ОХЛАЖДЕНИЯ ЧАСТИ КОРПУСА, ЗАЩИТА ВЕНТИЛЯТОРА (№-) ВЕНТИЛЯТОР ОХЛАЖДЕНИЯ ЧАСТИ КОРПУСА

Схема запчастей Komatsu WA1200-6 - ВЕНТИЛЯТОР ОХЛАЖДЕНИЯ ЧАСТИ КОРПУСА, ЗАЩИТА ВЕНТИЛЯТОРА (№-) ВЕНТИЛЯТОР ОХЛАЖДЕНИЯ ЧАСТИ КОРПУСА
4
6
7
8
9
10
11
16
18
19
21
22
23
24
25
26
27
31
32
33
34
35
7
11
15
13
12
5
14
15
17
19
23
20
22
20
23
23
21
27
26
24
27
28
30
29
28
30
29
25
27
31
1
3
2
FIT
1:1
100%

Артикул

Название

Примечание

Количество

1

42C-03-13112

Net

SN: 60004-UP

3шт.

2

01010-81230

Bolt

SN: 60004-UP

24шт.

3

01643-31232

Washer

SN: 60004-UP

24шт.

4

42C-03-11312

Support,L.H.

SN: 60004-UP

1шт.

5

01010-82065

Bolt

SN: 60004-UP

3шт.

6

01010-82050

Bolt

SN: 60004-UP

4шт.

7

01643-32060

Washer

SN: 60004-UP

7шт.

8

42C-03-17280

Support,R.H.

SN: 60004-UP

1шт.

9

01010-82065

Bolt

SN: 60004-UP

3шт.

10

01010-82050

Bolt

SN: 60004-UP

4шт.

11

01643-32060

Washer

SN: 60004-UP

7шт.

12

42C-03-11332

Bracket

SN: 60004-UP

1шт.

13

01010-82075

Bolt

SN: 60004-UP

3шт.

14

01010-82050

Bolt

SN: 60004-UP

4шт.

15

01643-32060

Washer

SN: 60004-UP

7шт.

16

42C-03-11342

Bracket

SN: 60004-UP

1шт.

17

01010-82075

Bolt

SN: 60004-UP

3шт.

18

01010-82050

Bolt

SN: 60004-UP

4шт.

19

01643-32060

Washer

SN: 60004-UP

7шт.

20

42C-03-11352

Bracket

SN: 60004-UP

2шт.

21

01010-82075

Bolt

SN: 60004-UP

4шт.

22

01010-82050

Bolt

SN: 60004-UP

8шт.

23

01643-32060

Washer

SN: 60004-UP

12шт.

24

42C-03-11362

Bracket

SN: 60004-UP

2шт.

25

01010-82045

Bolt

SN: 60004-UP

6шт.

26

01010-82055

Bolt

SN: 60004-UP

6шт.

27

01643-32060

Washer

SN: 60004-UP

12шт.

28

42C-03-15670

Bracket

SN: 60025-UP

2шт.

29

01010-82045

Bolt

SN: 60004-UP

8шт.

30

01643-32060

Washer

SN: 60004-UP

8шт.

31

42C-03-14220

Rubber

SN: 60004-UP

4шт.

32

42C-03-14230

Spacer

SN: 60004-UP

4шт.

33

42C-03-14241

Plate

SN: 60004-UP

2шт.

34

01010-81480

Bolt

SN: 60004-UP

4шт.

35

01643-31445

Washer, Flat

SN: 60004-UP

4шт.

Выбрано товаров: 35