Запчасти Komatsu WA120L-3 УПРАВЛ-Е ТОРМОЗОМ (ПЕРЕДН ТОРМОЗН. ГИДРОЛИНИЯ) OPERATIORS ОБСТАНОВКА И СИСТЕМА УПРАВЛЕНИЯ

Схема запчастей Komatsu WA120L-3 - УПРАВЛ-Е ТОРМОЗОМ (ПЕРЕДН ТОРМОЗН. ГИДРОЛИНИЯ) OPERATIORS ОБСТАНОВКА И СИСТЕМА УПРАВЛЕНИЯ
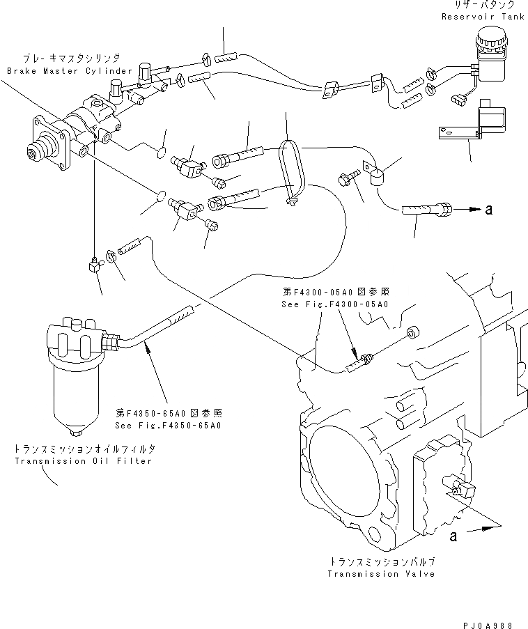
1
1A
2
2
3
3
4
4
5
6
7
8
9
10
10
11
FIT
1:1
100%

Артикул

Название

Примечание

Количество

1

07235-50628

ELBOW

SN: 54001-54103

1шт.

1A

417-43-27430

ELBOW

SN: 54001-54103

1шт.

2

07002-12434

O-RING

SN: 54001-54103

2шт.

3

07042-20108

PLUG

SN: 54001-54103

2шт.

4

07102-21007

HOSE

SN: 54001-UP

1шт.

5

08034-20519

BAND

SN: 54001-UP

1шт.

6

281-01-13180

CLIP

SN: 54001-UP

1шт.

7

01435-01020

BOLT

SN: 54001-UP

1шт.

8

07281-00197

CLAMP

SN: 54001-UP

1шт.

9

417-43-17640

ELBOW

SN: 54001-54103

1шт.

10

07260-20980

HOSE

SN: 54001-54103

2шт.

11

417-43-27340

BRACKET

SN: 54001-UP

1шт.

Выбрано товаров: 12