Запчасти Komatsu WA150-1 VANDALISUM ЗАЩИТА(№-9999) РАМА И ЧАСТИ КОРПУСА

Схема запчастей Komatsu WA150-1 - VANDALISUM ЗАЩИТА(№-9999) РАМА И ЧАСТИ КОРПУСА
FIT
1:1
100%

Артикул

Название

Примечание

Количество

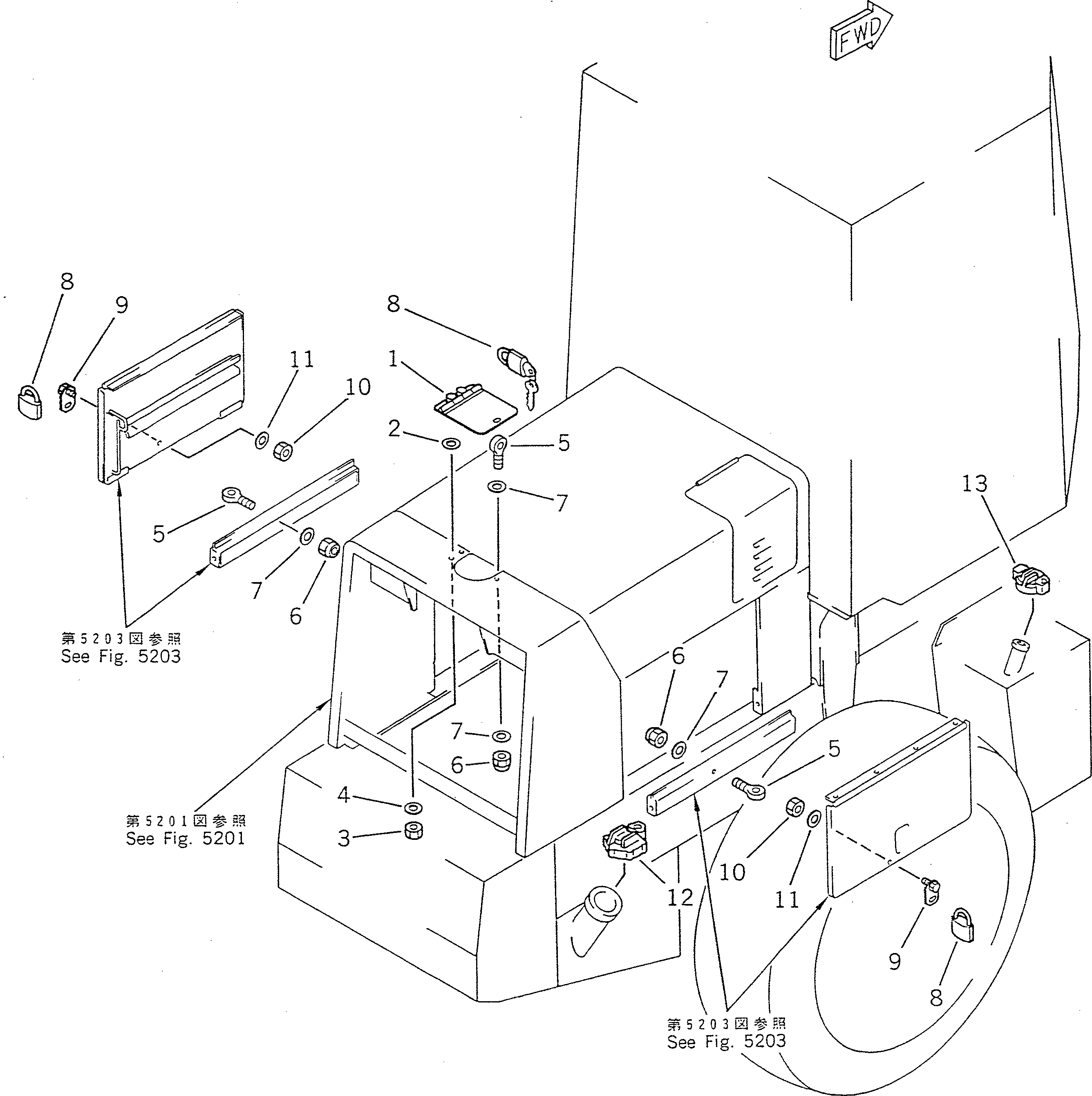
1

417-54-11441

GUARD,(MODIFIED PARTS)

SN: 10001-19999

1шт.

2

417-54-11410

COVER

SN: 10001-19999

1шт.

3

01640-20610

WASHER

SN: 10001-19999

2шт.

4

01580-10605

NUT

SN: 10001-19999

2шт.

5

01643-30623

WASHER

SN: 10001-19999

2шт.

6

417-54-11420

BOLT,EYE

SN: 10001-19999

3шт.

7

426-09-11130

NUT,LOCK

SN: 10001-19999

3шт.

8

01643-30623

WASHER

SN: 10001-19999

4шт.

9

09460-00007

LOCK

SN: 10001-19999

1шт.

10

417-54-11671

DOOR,L.H. (MODIFIED PARTS)

SN: .-19999

1шт.

10

417-54-11670

DOOR,L.H. (MODIFIED PARTS)

SN: 10001-.

1шт.

11

417-54-11661

DOOR,R.H. (MODIFIED PARTS)

SN: .-19999

1шт.

11

417-54-11660

DOOR,R.H. (MODIFIED PARTS)

SN: 10001-.

1шт.

12

417-54-11640

PLATE,L.H. (MODIFIED PARTS)

SN: 10001-19999

1шт.

13

417-54-11630

PLATE,R.H. (MODIFIED PARTS)

SN: 10001-19999

1шт.

14

417-54-11650

PLATE

SN: 10001-19999

2шт.

15

01580-10605

NUT

SN: 10001-19999

2шт.

16

01643-30623

WASHER

SN: 10001-19999

2шт.

17

19M-04-11220

CAP,FUEL TANK (LOCK TYPE)

SN: 10001-19999

1шт.

18

07092-00000

CAP,HYDRAULIC TANK (LOCK TYPE)

SN: 10001-19999

1шт.

Выбрано товаров: 20