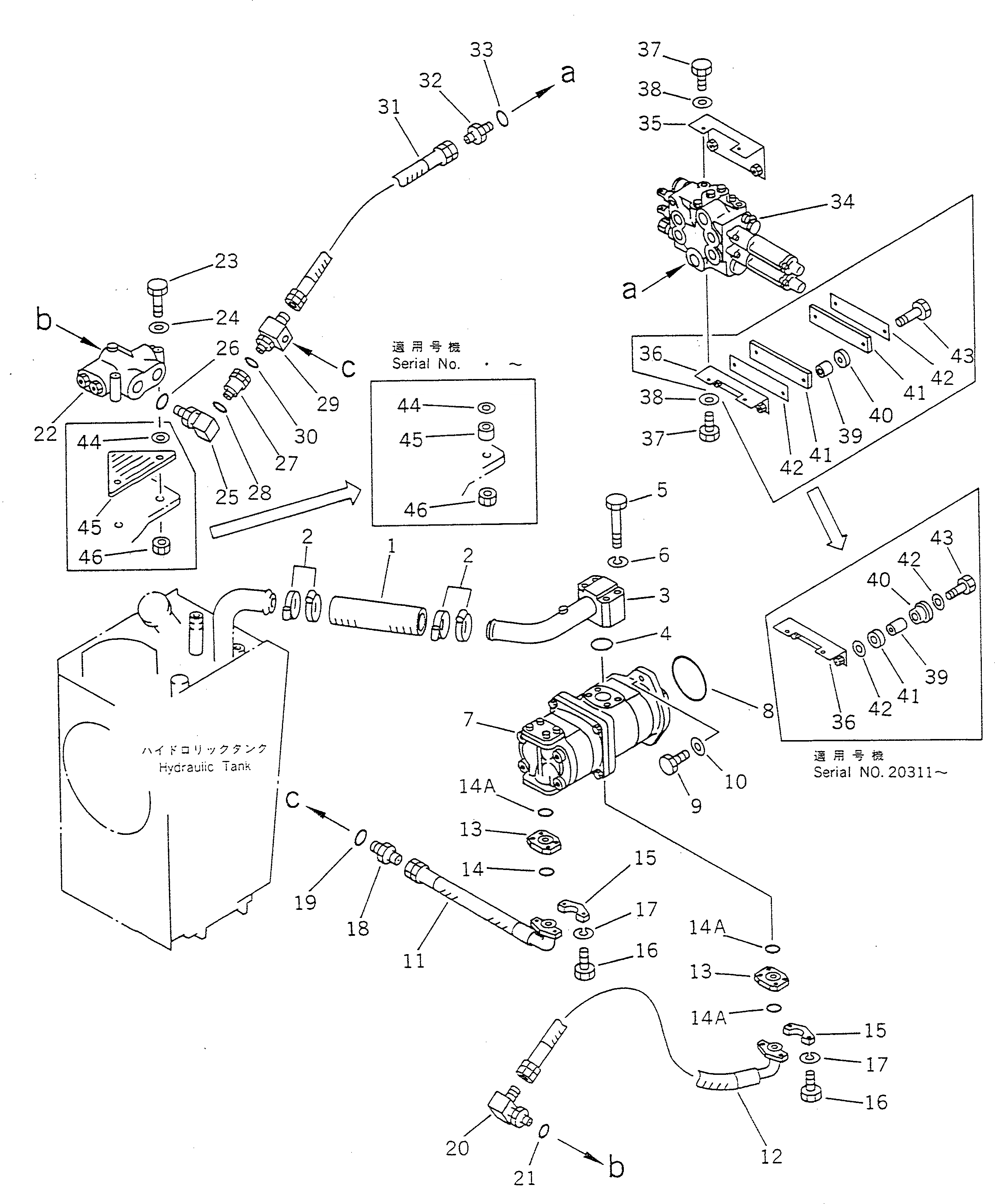
Запчасти Komatsu WA150-1 ГИДРОЛИНИЯ (ВСАСЫВ. И ЛИНИЯ ПОДАЧИ)(№-) УПРАВЛ-Е РАБОЧИМ ОБОРУДОВАНИЕМ

Схема запчастей Komatsu WA150-1 - ГИДРОЛИНИЯ (ВСАСЫВ. И ЛИНИЯ ПОДАЧИ)(№-) УПРАВЛ-Е РАБОЧИМ ОБОРУДОВАНИЕМ
FIT
1:1
100%

Артикул

Название

Примечание

Количество

1

07260-04120

HOSE

SN: 10001-UP

1шт.

2

07281-00609

CLAMP

SN: 10001-UP

4шт.

3

417-62-13123

TUBE

SN: 20001-UP

1шт.

4

07000-13045

O-RING

SN: 20001-UP

1шт.

5

01010-31280

BOLT

SN: 20001-UP

4шт.

6

01602-21236

WASHER,SPRING

SN: 10001-UP

4шт.

7

705-51-20180

PUMP ASS'Y

SN: 20001-UP

1шт.

8

07000-02105

O-RING

SN: 10001-UP

1шт.

9

01010-31235

BOLT

SN: 10001-UP

2шт.

10

01643-31232

WASHER

SN: 10001-UP

2шт.

11

417-62-13831

HOSE

SN: 20001-UP

1шт.

12

416-62-13411

HOSE

SN: 20001-UP

1шт.

13

07373-10600

SPACER

SN: 20001-UP

2шт.

14

07000-13028

O-RING

SN: 20001-UP

1шт.

14A

07000-13025

O-RING

SN: 20001-UP

3шт.

15

07371-30638

FLANGE,SPLIT

SN: 20001-UP

4шт.

16

01010-30840

BOLT

SN: 20001-UP

8шт.

17

01602-20825

WASHER,SPRING

SN: 20001-UP

8шт.

18

07230-20522

UNION

SN: 20001-UP

1шт.

19

07002-12434

O-RING

SN: 20001-UP

1шт.

20

416-62-13420

ELBOW

SN: 20001-UP

1шт.

21

416-62-13450

O-RING

SN: 20001-UP

1шт.

22

416-64-15200

VALVE ASS'Y,PRIORITY

SN: 20001-UP

1шт.

23

416-64-15600

BOLT

SN: 20001-UP

2шт.

24

01643-30823

WASHER

SN: 20001-UP

2шт.

25

417-62-13841

ELBOW

SN: 20001-UP

1шт.

26

416-62-13450

O-RING

SN: 20001-UP

1шт.

27

417-62-13911

CHECK VALVE

SN: 20001-UP

1шт.

28

416-62-13450

O-RING

SN: 20001-UP

1шт.

29

417-62-13920

TEE

SN: 20001-UP

1шт.

30

416-62-13450

O-RING

SN: 20001-UP

1шт.

31

417-62-13931

HOSE

SN: 20001-UP

1шт.

32

07230-11034

UNION

SN: 10001-UP

1шт.

33

07002-13334

O-RING

SN: 10001-UP

1шт.

34

700-82-33002

VALVE ASS'Y

SN: 20199-UP

1шт.

|34

0

VALVE ASS'Y

SN: 10001-20198

1шт.

35

417-64-13114

BRACKET

SN: 20001-UP

1шт.

36

417-64-13123

BRACKET

SN: 20001-UP

1шт.

37

01010-31025

BOLT

SN: 10001-UP

4шт.

38

01643-31032

WASHER

SN: 10001-UP

4шт.

39

417-62-14130

SPACER

SN: 20311-UP

4шт.

|39

0

SPACER

SN: 20001-20310

4шт.

40

419-43-17930

CUSHION

SN: 20311-UP

4шт.

|40

417-64-13160

CUSHION

SN: 10001-20310

4шт.

41

417-62-13620

CUSHION

SN: 20311-UP

4шт.

|41

417-64-13150

CUSHION

SN: 10001-20310

4шт.

42

419-43-17920

WASHER

SN: 20311-UP

8шт.

|42

417-64-13140

PLATE

SN: 10001-20310

4шт.

43

01010-31250

BOLT

SN: 10001-UP

4шт.

44

416-64-15640

WASHER

SN: .-UP

2шт.

|44

416-64-15620

WASHER

SN: 10001-.

2шт.

45

416-64-15630

CUSHION

SN: .-UP

2шт.

|45

416-64-15610

CUSHION

SN: 20001-.

1шт.

46

426-09-11140

NUT

SN: .-UP

2шт.

|46

01580-00806

NUT

SN: 20001-.

2шт.

Выбрано товаров: 55