Запчасти Komatsu WA150-1 ВЕДУЩ. ВАЛ (ПЕРЕДН.) ВЕДУЩ. ВАЛ¤ ДИФФЕРЕНЦ. И КОЛЕСА

Схема запчастей Komatsu WA150-1 - ВЕДУЩ. ВАЛ (ПЕРЕДН.) ВЕДУЩ. ВАЛ¤ ДИФФЕРЕНЦ. И КОЛЕСА
FIT
1:1
100%

Артикул

Название

Примечание

Количество

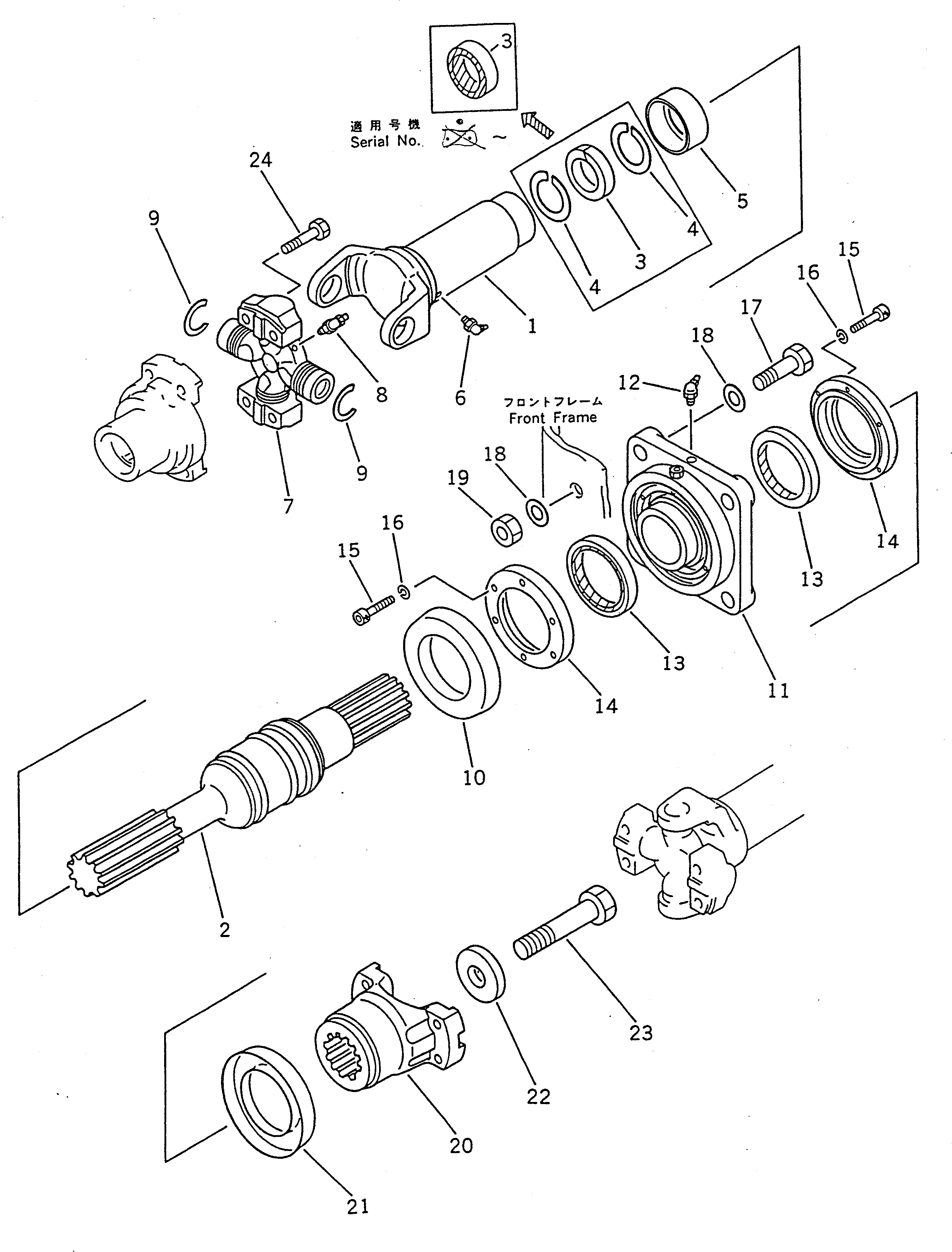
|1

417-20-13012

DRIVE SHAFT ASS'Y,FRONT

SN: 20001-UP

1шт.

|1

0

DRIVE SHAFT ASS'Y,FRONT

SN: (20001-20224)

1шт.

|1

417-20-13010

DRIVE SHAFT ASS'Y,FRONT

SN: 10001-19999

1шт.

|1

417-20-13114

DRIVE SHAFT

SN: 20001-UP

1шт.

|1

0

DRIVE SHAFT

SN: (20001-20224)

1шт.

|1

417-20-13112

DRIVE SHAFT

SN: 10001-19999

1шт.

|1

417-20-13651

SHAFT ASS'Y

SN: 10001-UP

1шт.

|1

0

SHAFT ASS'Y

SN: (10001-20224)

1шт.

1

0

YOKE

SN: 20225-UP

1шт.

|1

0

YOKE

SN: 10001-20224

1шт.

2

0

SHAFT

SN: 20225-UP

1шт.

|2

0

SHAFT

SN: 10001-20224

1шт.

3

417-20-12740

SEAL,OIL

SN: 10001-UP

1шт.

|3

0

SEAL,OIL

SN: (10001-20198)

1шт.

4

417-20-12670

RETAINER

SN: 10001-20198

2шт.

5

417-20-12680

COVER

SN: 10001-UP

1шт.

6

417-20-12640

FITTING,GREASE

SN: 10001-UP

1шт.

7

417-20-12620

SPIDER ASS'Y

SN: 10001-UP

1шт.

8

417-20-12640

FITTING,GREASE

SN: 10001-UP

1шт.

9

417-20-12690

RING,SNAP

SN: 10001-UP

2шт.

10

416-20-13530

DEFLECTOR

SN: 10001-UP

1шт.

11

416-20-15111

BEARING ASS'Y

SN: 10001-UP

1шт.

12

416-20-15660

FITTING,GREASE

SN: 10001-UP

1шт.

13

416-20-15620

SEAL

SN: 10001-UP

2шт.

14

416-20-15630

COVER

SN: 10001-UP

2шт.

15

01252-40520

BOLT

SN: 10001-UP

12шт.

16

01602-20513

WASHER,SPRING

SN: 10001-UP

12шт.

17

01010-31455

BOLT

SN: 10001-UP

4шт.

18

01643-31445

WASHER

SN: 10001-UP

8шт.

19

01580-01411

NUT

SN: 10001-UP

4шт.

|20

417-20-13030

COUPLING ASS'Y

SN: 10001-UP

1шт.

20

0

COUPLING

SN: 10001-UP

1шт.

21

416-20-13530

DEFLECTOR

SN: 10001-UP

1шт.

22

416-20-13520

HOLDER

SN: 10001-UP

1шт.

23

01011-61610

BOLT

SN: 10001-UP

1шт.

24

01050-61045

BOLT

SN: 10001-UP

4шт.

Выбрано товаров: 36