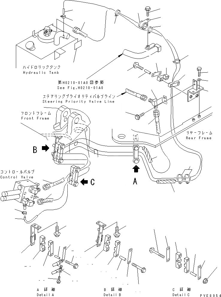
Запчасти Komatsu WA150-3 ГИДРОЛИНИЯ (ПРИОРИТЕТН. КЛАПАН - КОНТРОЛЬНЫЙ КЛАПАН И ВОЗВРАТН. ЛИНИЯ)(С СОЕДИНИТ. УСТР-ВО)(№87-) ГИДРАВЛИКА

Схема запчастей Komatsu WA150-3 - ГИДРОЛИНИЯ (ПРИОРИТЕТН. КЛАПАН - КОНТРОЛЬНЫЙ КЛАПАН И ВОЗВРАТН. ЛИНИЯ)(С СОЕДИНИТ. УСТР-ВО)(№87-) ГИДРАВЛИКА
1
1
2
3
3
4
5
5
6
6
7
7
7
7
8
9
10
11
12
13
14
15
16
17
18
19
20
21
22
23
24
25
26
27
28
29
30
31
32
33
34
35
36
37
38
39
39
40
41
42
FIT
1:1
100%

Артикул

Название

Примечание

Количество

1

417-62-23310

HOSE

SN: 63001-UP

1шт.

2

419-U45-1220

PROTECTOR

SN: 63001-UP

1шт.

3

417-62-23320

HOSE

SN: 63001-UP

1шт.

4

419-U45-1220

PROTECTOR

SN: 63001-UP

1шт.

5

417-62-23610

HOSE,DRAIN

SN: 63001-UP

1шт.

6

07281-00197

CLAMP

SN: 63001-UP

2шт.

7

08034-20834

BAND

SN: 63001-UP

5шт.

8

419-09-11150

CLIP

SN: 63001-UP

1шт.

9

419-62-13470

RUBBER

SN: 63001-UP

1шт.

10

01435-01016

BOLT

SN: 63001-UP

1шт.

11

417-62-23221

BRACKET

SN: 63287-UP

1шт.

12

01435-01220

BOLT

SN: 63001-UP

2шт.

13

418-62-23611

CLAMP

SN: 63287-UP

2шт.

14

418-62-23621

CLAMP

SN: 63287-UP

1шт.

15

417-62-23391

SPACER

SN: 63001-UP

2шт.

16

418-62-23630

PLATE

SN: 63287-UP

1шт.

17

01435-01290

BOLT

SN: 63001-UP

2шт.

18

417-62-23331

BRACKET

SN: 63287-UP

1шт.

19

01435-01220

BOLT

SN: 63001-UP

2шт.

20

418-62-23611

CLAMP

SN: 63287-UP

1шт.

21

418-62-23621

CLAMP

SN: 63287-UP

1шт.

22

417-62-23391

SPACER

SN: 63001-UP

2шт.

23

01435-01290

BOLT

SN: 63001-UP

2шт.

24

417-62-23620

BRACKET

SN: 63001-UP

1шт.

25

417-62-23460

CLAMP

SN: 63001-UP

1шт.

26

417-62-23470

CLAMP

SN: 63001-UP

1шт.

27

417-62-23510

PLATE

SN: 63001-UP

1шт.

28

417-62-23391

SPACER

SN: 63001-UP

2шт.

29

01435-01290

BOLT

SN: 63001-UP

2шт.

30

01010-81020

BOLT

SN: 63001-UP

2шт.

31

01643-31032

WASHER

SN: 63001-UP

2шт.

32

417-62-23630

ELBOW

SN: 63001-UP

1шт.

33

01435-01250

BOLT

SN: 63001-UP

2шт.

34

417-879-2171

PLATE

SN: 63287-UP

2шт.

35

424-54-14380

COLLAR

SN: 63001-UP

2шт.

36

01435-01025

BOLT

SN: 63001-UP

2шт.

37

418-62-23611

CLAMP

SN: 63287-UP

1шт.

38

418-62-23621

CLAMP

SN: 63287-UP

1шт.

39

418-62-23630

PLATE

SN: 63287-UP

2шт.

40

417-62-23391

SPACER

SN: 63287-UP

2шт.

41

01435-01290

BOLT

SN: 63287-UP

2шт.

42

01584-01210

NUT

SN: 63287-UP

2шт.

Выбрано товаров: 42