Запчасти Komatsu WA150-3 УПРАВЛ-Е ТОРМОЗОМ (РЕЗЕРВН. БАК ЛИНИЯ) (С СОЕДИНИТ. УСТР-ВО)(№-) КАБИНА ОПЕРАТОРА И СИСТЕМА УПРАВЛЕНИЯ

Схема запчастей Komatsu WA150-3 - УПРАВЛ-Е ТОРМОЗОМ (РЕЗЕРВН. БАК ЛИНИЯ) (С СОЕДИНИТ. УСТР-ВО)(№-) КАБИНА ОПЕРАТОРА И СИСТЕМА УПРАВЛЕНИЯ
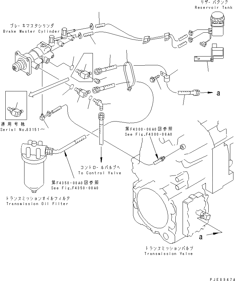
1
2
3
3
4
5
5
6
7
8
9
10
11
12
13
13
14
FIT
1:1
100%

Артикул

Название

Примечание

Количество

1

07235-50628

ELBOW

SN: 63151-64224

1шт.

|1

07235-50628

ELBOW

SN: 63001-63150

2шт.

2

417-43-27430

ELBOW

SN: 64001-64224

1шт.

|2

209-62-14550

ELBOW

SN: 63151-64000

1шт.

3

07002-12434

O-RING

SN: 63001-64224

2шт.

4

07042-20108

PLUG

SN: 63001-64224

1шт.

5

07102-21007

HOSE

SN: 63151-64224

1шт.

|5

0

HOSE

SN: 63001-63150

1шт.

|$$9

(07102-21007{209-62-14550)}

-1шт.

6

08034-20519

BAND

SN: 63001-64224

1шт.

7

281-01-13180

CLIP

SN: 63151-64224

1шт.

|7

08036-23014

CLIP

SN: 63001-63150

1шт.

8

01435-01020

BOLT

SN: 63001-64224

1шт.

9

417-43-17640

ELBOW

SN: 63001-64224

1шт.

10

07235-10315

ELBOW

SN: 63001-64224

1шт.

11

07002-12034

O-RING

SN: 63001-64224

1шт.

12

418-879-1510

ELBOW

SN: 63001-64224

1шт.

13

07260-20980

HOSE

SN: 63001-64224

2шт.

14

417-43-27340

BRACKET

SN: 63001-64224

1шт.

Выбрано товаров: 19