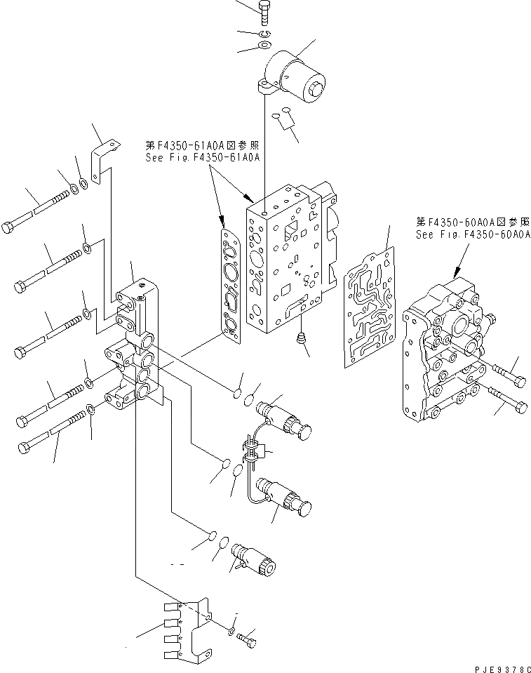
Запчасти Komatsu WA150-3 КЛАПАН УПРАВЛЕНИЯ ТРАНСМИССИЕЙ (/) (СОЛЕНОИДНЫЙ КЛАПАН)(№(779)-) ТРАНСМИССИЯ

Схема запчастей Komatsu WA150-3 - КЛАПАН УПРАВЛЕНИЯ ТРАНСМИССИЕЙ (/) (СОЛЕНОИДНЫЙ КЛАПАН)(№(779)-) ТРАНСМИССИЯ
1
2
2
2A
2A
2B
2B
3
3A
3B
4
5
6
6A
7
8
9
10
11
12
12
12
12
12
13
14
15
16
17
18
19
20
21
22
23
FIT
1:1
100%

Артикул

Название

Примечание

Количество

|$$1

SERIAL NO. IN ( ) INDICATES TRANSMISSION SERIAL NO.

-1шт.

|1

714-11-10003

TRANSMISSION ASS'Y

SN: (68569)-UP

1шт.

|1

714-11-10002

TRANSMISSION ASS'Y

SN: (67311)-(68568)

1шт.

|1

714-11-10043

TRANSMISSION ASS'Y,(FOR EMERGENCY STEERING)

SN: (68573)-UP

1шт.

|1

714-11-10042

TRANSMISSION ASS'Y,(FOR EMERGENCY STEERING)

SN: (67408)-(68572)

1шт.

|$$6

THESE ASSEMBLIES CONSISTS OF ALL PARTS SHOWN IN FIGS.F4350-51A0 TO F4350-67A0.

-1шт.

|1

714-11-15031

VALVE ASS'Y

SN: (68611)-UP

1шт.

|1

714-11-15030

CONTROL VALVE ASS'Y

SN: (67749)-(68610)

1шт.

|$$9

THESE ASSEMBLIES CONSISTS OF ALL PARTS SHOWN IN FIGS.F4350-60A0 TO F4350-62A0.

-1шт.

|1

714-11-16200

VALVE ASS'Y,LOWER

SN: (67749)-UP

1шт.

|$$11

THIS ASSEMBLY CONSISTS OF ALL PARTS SHOWN IN FIGS.F4350-61A0A AND 62A0A.

-1шт.

|1

714-11-16900

VALVE ASS'Y,SOLENOID

SN: (67749)-UP

1шт.

1

714-11-16800

BODY ASS'Y,SOLENOID

SN: (67749)-UP

1шт.

2

714-11-16830

SOLENOID VALVE

SN: (67749)-UP

2шт.

2A

714-11-16850

O-RING (K2)

SN: (67749)-UP

1шт.

2B

07000-E2016

O-RING (K2)

SN: (67749)-UP

1шт.

3

714-11-16840

SOLENOID VALVE

SN: (67749)-UP

2шт.

3A

714-11-16850

O-RING (K2)

SN: (67749)-UP

1шт.

3B

07000-E2016

O-RING (K2)

SN: (67749)-UP

1шт.

4

714-11-16811

BRACKET

SN: (67749)-UP

1шт.

5

01010-80816

BOLT

SN: 63001-UP

2шт.

6

01643-30823

WASHER

SN: 63001-UP

2шт.

6A

08034-00414

BAND

SN: (67966)-UP

2шт.

7

01010-81085

BOLT

SN: (67749)-UP

1шт.

8

01011-81015

BOLT

SN: (67749)-UP

1шт.

9

01011-81015

BOLT

SN: (67749)-UP

4шт.

10

01010-81085

BOLT

SN: (67749)-UP

2шт.

11

01010-81085

BOLT

SN: (67749)-UP

1шт.

12

01643-31032

WASHER

SN: (67749)-UP

10шт.

13

195-30-34260

WASHER

SN: (67749)-UP

1шт.

14

419-06-12840

PLATE

SN: 63001-UP

1шт.

15

07043-70108

PLUG

SN: 63001-UP

1шт.

16

419-15-16811

GASKET (K2)

SN: 63001-UP

1шт.

17

01010-80860

BOLT

SN: 63001-UP

1шт.

18

01010-80875

BOLT

SN: 63001-UP

1шт.

19

419-15-16660

FILTER ASS'Y

SN: 63001-UP

1шт.

20

07000-02014

O-RING (K2)

SN: 63001-UP

2шт.

21

01010-81035

BOLT

SN: 63001-UP

2шт.

22

01602-01030

WASHER

SN: 63001-UP

2шт.

23

01642-21016

WASHER

SN: 63001-UP

2шт.

Выбрано товаров: 40