Запчасти Komatsu WA150-3 ТРАНСМИССИЯ (КОРПУС КРЕПЛЕНИЯ) ТРАНСМИССИЯ

Схема запчастей Komatsu WA150-3 - ТРАНСМИССИЯ (КОРПУС КРЕПЛЕНИЯ) ТРАНСМИССИЯ
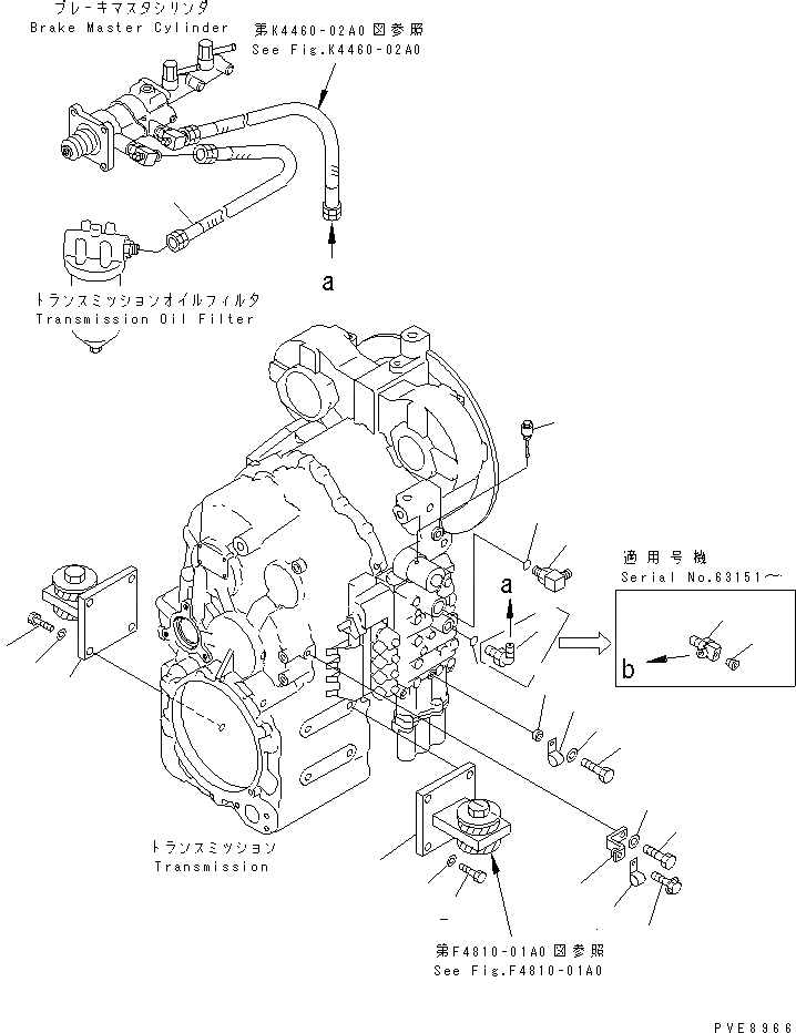
1
1
2
2
3
3
4
4
5
6
7
7
8
9
10
11
12
13
14
15
16
17
18
FIT
1:1
100%

Артикул

Название

Примечание

Количество

1

417-14-11110

BRACKET

SN: 64001-UP

2шт.

2

01010-61650

BOLT

SN: 64001-UP

8шт.

3

01643-31645

WASHER

SN: 64001-UP

8шт.

4

209-62-14550

ELBOW

SN: 63151-UP

1шт.

|4

07235-10628

ELBOW

SN: 63001-63150

1шт.

5

07002-02434

O-RING (K1)

SN: 63001-UP

1шт.

6

07102-20615

HOSE,SUPPLY

SN: 64001-UP

1шт.

7

04434-52711

CLIP

SN: 64001-UP

2шт.

8

01435-01016

BOLT

SN: 64001-UP

1шт.

9

424-54-14380

COLLAR

SN: 64001-UP

1шт.

10

01010-81095

BOLT

SN: 64001-UP

1шт.

11

01643-31032

WASHER

SN: 64001-UP

1шт.

12

232-06-52410

SENSOR,TORQUE CONVERTER OIL TEMP.

SN: 64001-UP

1шт.

13

419-15-14641

ELBOW

SN: 64001-UP

1шт.

14

07002-03334

O-RING (K1)

SN: 64001-UP

1шт.

15

714-11-18980

PLATE

SN: 63001-UP

1шт.

16

01010-81220

BOLT

SN: 64001-UP

1шт.

17

01643-31232

WASHER

SN: 64001-UP

1шт.

18

07043-70108

PLUG

SN: 63151-UP

1шт.

Выбрано товаров: 19