Запчасти Komatsu WA150-3 ГИДРОТРАНСФОРМАТОР И ТРАНСМИССИЯ ЛИНИЯ(№-8) ТРАНСМИССИЯ

Схема запчастей Komatsu WA150-3 - ГИДРОТРАНСФОРМАТОР И ТРАНСМИССИЯ ЛИНИЯ(№-8) ТРАНСМИССИЯ
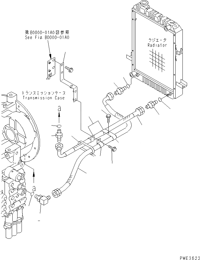
1
2
3
4
5
6
7
8
9
10
11
11
11
12
12
13
14
FIT
1:1
100%

Артикул

Название

Примечание

Количество

1

417-16-21150

HOSE

SN: 63001-@

1шт.

2

419-15-14641

ELBOW

SN: 63001-@

1шт.

3

07002-13334

O-RING

SN: 63001-@

1шт.

4

07230-20628

UNION

SN: 63001-@

1шт.

5

07002-12434

O-RING

SN: 63001-@

1шт.

6

416-16-21110

HOSE

SN: 63001-63018

1шт.

7

07230-20628

UNION

SN: 63001-@

1шт.

8

07002-12434

O-RING

SN: 63001-@

1шт.

9

07230-20628

UNION

SN: 63001-63018

1шт.

10

07002-12434

O-RING

SN: 63001-@

1шт.

11

08036-93014

CLIP

SN: 63001-@

4шт.

12

01435-01016

BOLT

SN: 63001-@

2шт.

13

416-16-21181

BRACKET

SN: 63001-@

1шт.

14

08034-20536

BAND

SN: 63001-@

1шт.

Выбрано товаров: 14