Запчасти Komatsu WA150-3 ЧАСТИ КРЕПЛЕНИЯ ТРАНСМИССИИ ТРАНСМИССИЯ

Схема запчастей Komatsu WA150-3 - ЧАСТИ КРЕПЛЕНИЯ ТРАНСМИССИИ ТРАНСМИССИЯ
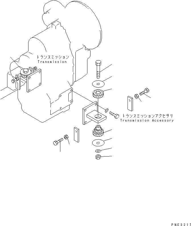
1
2
3
3
4
5
6
7
8
8
9
9
FIT
1:1
100%

Артикул

Название

Примечание

Количество

|1

418-01-11111

CUSHION ASS'Y

SN: 63001-UP

2шт.

1

0

CUSHION

SN: 63001-UP

1шт.

2

0

CUSHION

SN: 63001-UP

1шт.

3

419-01-11162

WASHER

SN: 63001-UP

2шт.

4

01011-62230

BOLT

SN: 63001-UP

2шт.

5

419-01-11162

WASHER

SN: 63001-UP

2шт.

6

01580-02218

NUT

SN: 63001-UP

2шт.

7

01643-32260

WASHER

SN: 63001-UP

2шт.

8

01016-51260

BOLT

SN: 63001-UP

4шт.

9

01584-01210

NUT

SN: 63001-UP

4шт.

Выбрано товаров: 0