Запчасти Komatsu WA150-3-SN БЛОКИР. ШАНГА И КРЫШКА(С ECSS) ОСНОВНАЯ РАМА И ЕЕ ЧАСТИ

Схема запчастей Komatsu WA150-3-SN - БЛОКИР. ШАНГА И КРЫШКА(С ECSS) ОСНОВНАЯ РАМА И ЕЕ ЧАСТИ
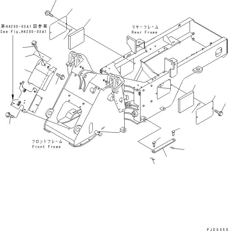
1
2
2
3
4
5
6
7
8
8
9
9
10
10
11
11
12
12
FIT
1:1
100%

Артикул

Название

Примечание

Количество

1

417-46-24110

BAR,LOCK

SN: 63001-UP

1шт.

2

416-46-12230

PIN

SN: 63001-UP

2шт.

3

04050-18055

PIN,COTTER

SN: 63001-UP

1шт.

4

415-46-11360

PIN,SNAP

SN: 63001-UP

1шт.

5

417-S99-2220

COVER

SN: 63001-UP

1шт.

6

417-S99-2230

PLATE

SN: 63001-UP

1шт.

7

01435-01230

BOLT

SN: 63001-UP

4шт.

8

01435-01020

BOLT

SN: 63001-UP

6шт.

9

417-46-24120

COVER

SN: 63001-UP

2шт.

10

416-54-21370

SHEET

SN: 63001-UP

2шт.

11

421-09-21420

SHEET

SN: 63001-UP

4шт.

12

01435-01225

BOLT

SN: 63001-UP

4шт.

Выбрано товаров: 12