Запчасти Komatsu WA150-3-SN БЛОКИР. ШАНГА И КРЫШКА(SUPER SILENT ЧАСТИ) (/) ОСНОВНАЯ РАМА И ЕЕ ЧАСТИ

Схема запчастей Komatsu WA150-3-SN - БЛОКИР. ШАНГА И КРЫШКА(SUPER SILENT ЧАСТИ) (/) ОСНОВНАЯ РАМА И ЕЕ ЧАСТИ
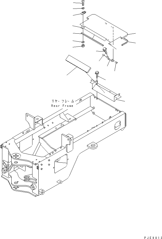
1
2
2
3
4
5
6
7
8
9
10
11
12
13
13
14
15
FIT
1:1
100%

Артикул

Название

Примечание

Количество

1

417-Z97-2610

COVER

SN: 63001-UP

1шт.

2

417-54-24470

CUSHION

SN: 63001-UP

2шт.

3

416-Z97-2310

SEAL

SN: 63001-UP

1шт.

4

417-54-21490

SEAL

SN: 63001-UP

1шт.

5

417-Z97-2620

CUSHION

SN: 63001-UP

1шт.

6

01435-01016

BOLT

SN: 63001-UP

2шт.

7

421-09-12322

HOLDER

SN: 63001-UP

2шт.

8

01220-40410

SCREW

SN: 63001-UP

10шт.

9

01601-20410

WASHER,SPRING

SN: 63001-UP

10шт.

10

01641-20405

WASHER

SN: 63001-UP

10шт.

11

01580-60403

NUT

SN: 63001-UP

10шт.

12

417-Z97-2650

BRACKET

SN: 64001-UP

1шт.

|12

416-Z97-2230

BRACKET

SN: 63001-64000

1шт.

13

416-54-11171

HOSE

SN: 63001-UP

2шт.

14

01435-00816

BOLT

SN: 63001-UP

2шт.

15

417-Z97-2640

SHEET

SN: 63001-UP

1шт.

Выбрано товаров: 16