Запчасти Komatsu WA150-3-SN ЗАДН. МОСТ СУППОРТ ОСНОВНАЯ РАМА И ЕЕ ЧАСТИ

Схема запчастей Komatsu WA150-3-SN - ЗАДН. МОСТ СУППОРТ ОСНОВНАЯ РАМА И ЕЕ ЧАСТИ
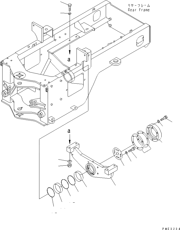
1
2
3
4
5
6
7
8
9
10
11
12
12
13
14
14
15
FIT
1:1
100%

Артикул

Название

Примечание

Количество

1

417-46-27150

SUPPORT

SN: 63001-UP

1шт.

2

416-46-12160

BUSHING

SN: 63001-UP

1шт.

3

07000-16150

O-RING

SN: 63001-UP

1шт.

4

416-46-12152

PLATE,THRUST

SN: 63001-UP

1шт.

5

01010-61250

BOLT

SN: 63001-UP

8шт.

6

01643-31232

WASHER

SN: 63001-UP

8шт.

7

01010-61255

BOLT

SN: 63001-UP

8шт.

8

01643-31232

WASHER

SN: 63001-UP

8шт.

9

416-46-12170

SHIM¤ 0.2MM

SN: 63001-UP

3шт.

10

416-46-12142

COVER

SN: 63001-UP

1шт.

11

416-46-12160

BUSHING

SN: 63001-UP

1шт.

12

07000-16150

O-RING

SN: 63001-UP

2шт.

13

01011-62030

BOLT

SN: 63001-UP

4шт.

14

01643-32060

WASHER

SN: 63001-UP

8шт.

15

01580-02016

NUT

SN: 63001-UP

4шт.

Выбрано товаров: 15