Запчасти Komatsu WA150-3-SN ПОЛ (ПОЛ Э/ПРОВОДКА) (ПРЕДОХРАНИТЕЛЬ И РЕЛЕ) (С КАБИНОЙ ДЛЯ 2 ЧЕЛ.)(№-) КАБИНА ОПЕРАТОРА И СИСТЕМА УПРАВЛЕНИЯ

Схема запчастей Komatsu WA150-3-SN - ПОЛ (ПОЛ Э/ПРОВОДКА) (ПРЕДОХРАНИТЕЛЬ И РЕЛЕ) (С КАБИНОЙ ДЛЯ 2 ЧЕЛ.)(№-) КАБИНА ОПЕРАТОРА И СИСТЕМА УПРАВЛЕНИЯ
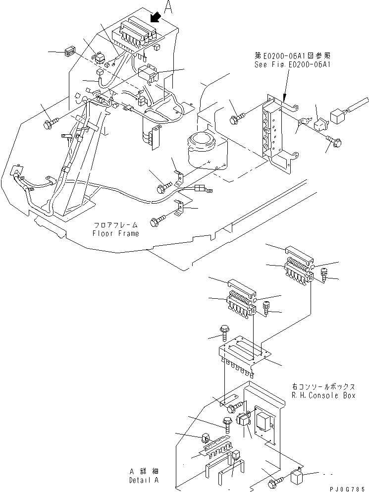
1
2
3
4
5
6
7
8
9
10
11
12
13
14
15
16
17
18
19
20
21
22
23
24
25
26
27
28
29
30
31
FIT
1:1
100%

Артикул

Название

Примечание

Количество

1

417-06-22240

CONNECTOR

SN: 64225-UP

1шт.

2

416-944-2140

WIRING HARNESS

SN: 64225-UP

1шт.

3

08053-01512

CLIP

SN: 64225-UP

1шт.

4

08053-15010

CLIP

SN: 64225-UP

2шт.

5

01435-01016

BOLT

SN: 64225-UP

2шт.

6

416-Z23-2120

WIRING HARNESS

SN: 64225-UP

1шт.

7

569-06-61180

BRACKET

SN: 64225-UP

2шт.

8

01435-00612

BOLT

SN: 64225-UP

2шт.

9

569-06-61960

RELAY,1-WAY

SN: 64225-UP

3шт.

10

569-06-61970

RELAY,2-WAY

SN: 64225-UP

5шт.

11

01435-00612

BOLT

SN: 64225-UP

2шт.

12

416-06-21210

CONTROLLER

SN: 64225-UP

1шт.

13

01435-01020

BOLT

SN: 64225-UP

2шт.

14

569-06-61960

RELAY

SN: 64225-UP

1шт.

15

08053-01512

CLIP

SN: 64225-UP

1шт.

16

01435-01016

BOLT

SN: 64225-UP

1шт.

17

569-06-61960

RELAY

SN: 64225-UP

1шт.

18

417-06-22380

FUSE BOX ASS'Y

SN: 64225-UP

1шт.

19

283-06-16190

FUSE¤ 10A

SN: 64225-UP

14шт.

|19

22W-06-13160

FUSE¤ 20A

SN: 64225-UP

3шт.

20

283-06-16120

COVER

SN: 64225-UP

1шт.

21

01023-70520

SCREW

SN: 64225-UP

2шт.

22

01435-00612

BOLT

SN: 64225-UP

2шт.

23

416-944-2350

BRACKET

SN: 64225-UP

1шт.

24

416-944-2151

FUSE BOX ASS'Y,CAB

SN: 64225-UP

1шт.

25

283-06-16190

FUSE¤ 10A

SN: 64225-UP

7шт.

|25

22W-06-13160

FUSE¤ 20A

SN: 64225-UP

7шт.

26

283-06-16120

COVER

SN: 64225-UP

1шт.

27

01023-70520

SCREW

SN: 64225-UP

2шт.

28

421-06-26220

RELAY,WIPER

SN: 64225-UP

1шт.

29

01435-00612

BOLT

SN: 64225-UP

2шт.

30

416-06-22250

FLASHER

SN: 64225-UP

1шт.

31

01435-00612

BOLT

SN: 64225-UP

1шт.

Выбрано товаров: 33