Запчасти Komatsu WA150-3-SN ПОЛ Э/ПРОВОДКА(№-) КАБИНА ОПЕРАТОРА И СИСТЕМА УПРАВЛЕНИЯ

Схема запчастей Komatsu WA150-3-SN - ПОЛ Э/ПРОВОДКА(№-) КАБИНА ОПЕРАТОРА И СИСТЕМА УПРАВЛЕНИЯ
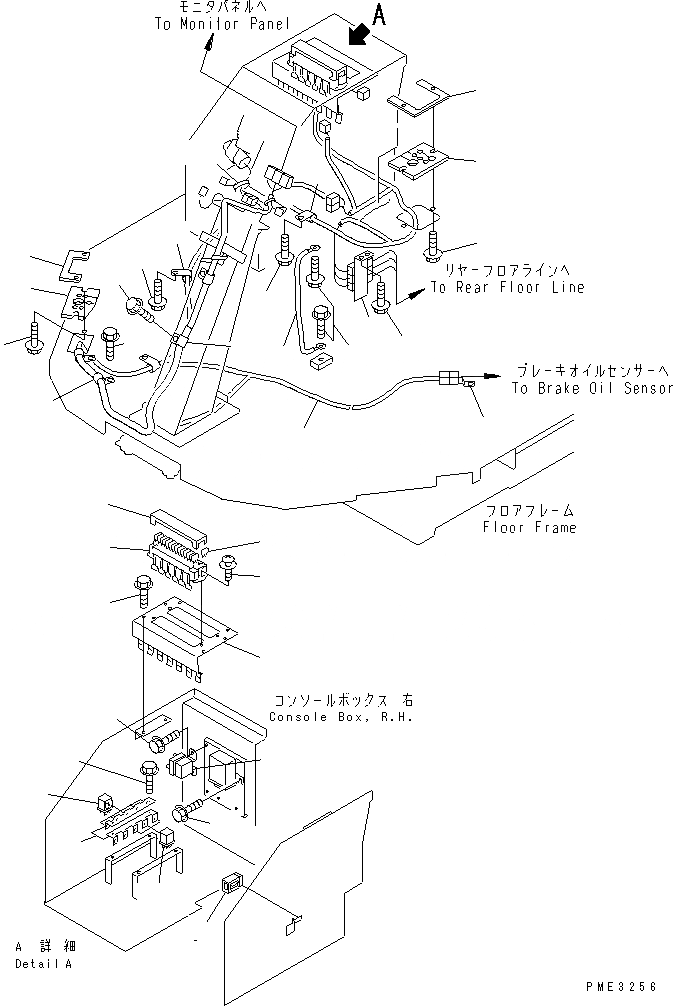
1
2
3
4
5
6
7
8
9
10
11
12
13
14
15
16
17
18
19
20
21
22
23
24
25
26
27
27
28
29
30
31
32
33
34
35
FIT
1:1
100%

Артикул

Название

Примечание

Количество

|1

417-06-22371

WIRING HARNESS

SN: 63001-64224

1шт.

1

08020-10000

DIODE

SN: 63001-64224

4шт.

2

08036-01814

CLIP

SN: 63001-64224

3шт.

3

01435-01016

BOLT

SN: 63001-64224

3шт.

4

08053-01512

CLIP

SN: 63001-64224

1шт.

5

08036-02514

CLIP

SN: 63001-64224

1шт.

6

01435-01016

BOLT

SN: 63001-64224

1шт.

7

416-06-22391

WIRING HARNESS

SN: 63001-64224

1шт.

8

417-06-22240

CONNECTOR,(FRONT AND REAR WORK LAMP)

SN: 63001-64224

1шт.

9

08036-02514

CLIP

SN: 63001-64224

2шт.

10

01435-01016

BOLT

SN: 63001-64224

2шт.

11

08034-20519

BAND

SN: 63001-64224

2шт.

12

08028-48040

WIRE

SN: 63001-64224

1шт.

13

01435-01016

BOLT

SN: 63001-64224

2шт.

14

417-06-22410

PLATE

SN: 63001-64224

1шт.

15

417-06-22420

SHEET

SN: 63001-64224

1шт.

16

01435-00612

BOLT

SN: 63001-64224

2шт.

17

08036-02514

CLIP

SN: 63001-64224

2шт.

18

01435-01016

BOLT

SN: 63001-64224

2шт.

19

419-06-22530

PLATE

SN: 63001-64224

1шт.

20

01435-00612

BOLT

SN: 63001-64224

2шт.

21

417-06-22220

BRACKET

SN: 63001-64224

1шт.

22

01435-01016

BOLT

SN: 63001-64224

2шт.

23

569-06-61180

BRACKET

SN: 63001-64224

2шт.

24

01435-00612

BOLT

SN: 63001-64224

2шт.

25

569-06-61960

RELAY,1-WAY

SN: 63001-64224

3шт.

26

569-06-61970

RELAY,2-WAY

SN: 63001-64224

5шт.

27

01435-00612

BOLT

SN: 63001-64224

2шт.

28

416-06-21210

CONTROLLER

SN: 63001-64224

1шт.

29

417-06-22380

FUSE BOX ASS'Y

SN: 63001-64224

1шт.

30

283-06-16190

FUSE¤ 10A

SN: 63001-64224

14шт.

|30

22W-06-13160

FUSE¤ 20A

SN: 63001-64224

3шт.

31

283-06-16120

COVER

SN: 63001-64224

1шт.

32

01023-70520

SCREW

SN: 63001-64224

2шт.

33

417-06-22520

BRACKET

SN: 63001-64224

1шт.

34

417-06-22431

SHEET

SN: 63001-64224

1шт.

35

01435-00612

BOLT

SN: 63001-64224

2шт.

Выбрано товаров: 37