Запчасти Komatsu WA150-3-SN ТРАНСМИССИЯ (ГИДРОЛИНИЯ ЭКСТРЕННОГО УПРАВЛЕНИЯ) (С ЭКСТРЕНН. УПРАВЛ.) ТРАНСМИССИЯ

Схема запчастей Komatsu WA150-3-SN - ТРАНСМИССИЯ (ГИДРОЛИНИЯ ЭКСТРЕННОГО УПРАВЛЕНИЯ) (С ЭКСТРЕНН. УПРАВЛ.) ТРАНСМИССИЯ
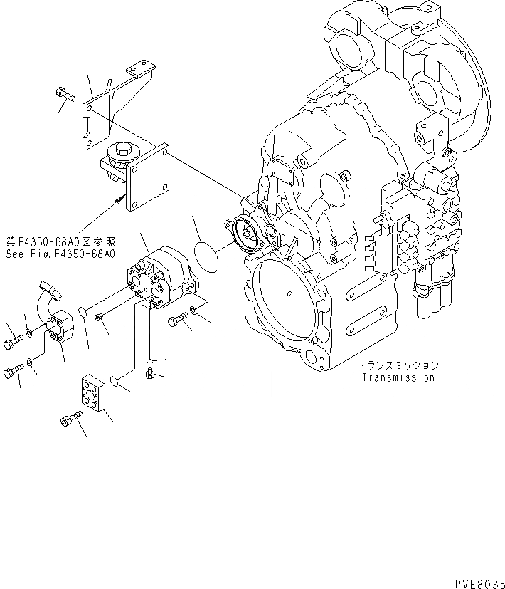
1
2
3
4
5
6
7
8
9
10
11
11
12
13
14
15
16
17
FIT
1:1
100%

Артикул

Название

Примечание

Количество

1

704-31-24110

PUMP ASS'Y

SN: 63001-UP

1шт.

2

07040-12012

PLUG

SN: 63001-UP

1шт.

3

07002-12034

O-RING

SN: 63001-UP

1шт.

4

07000-12105

O-RING

SN: 63001-UP

1шт.

5

01010-81235

BOLT

SN: 63001-UP

2шт.

6

01643-31232

WASHER

SN: 63001-UP

2шт.

7

417-875-2491

TUBE

SN: 63001-UP

1шт.

8

07000-13038

O-RING

SN: 63001-UP

1шт.

9

01010-81060

BOLT

SN: 63001-UP

2шт.

10

01010-81055

BOLT

SN: 63001-UP

2шт.

11

01643-31032

WASHER

SN: 63001-UP

4шт.

12

07043-70108

PLUG

SN: 63001-UP

1шт.

13

417-875-2510

SPACER

SN: 63001-UP

1шт.

14

07000-13040

O-RING

SN: 63001-UP

1шт.

15

01252-31035

BOLT

SN: 63001-UP

4шт.

16

417-875-2340

BRACKET

SN: 63001-UP

1шт.

17

01010-61660

BOLT

SN: 63001-UP

2шт.

Выбрано товаров: 17