Запчасти Komatsu WA150-3-SN ОТВАЛ (БОКОВ. СДВИГ ЛИНИЯ ЦИЛИНДРА) (С СОЕДИНИТ. УСТР-ВО S.P.A.P.) РАБОЧЕЕ ОБОРУДОВАНИЕ

Схема запчастей Komatsu WA150-3-SN - ОТВАЛ (БОКОВ. СДВИГ ЛИНИЯ ЦИЛИНДРА) (С СОЕДИНИТ. УСТР-ВО S.P.A.P.) РАБОЧЕЕ ОБОРУДОВАНИЕ
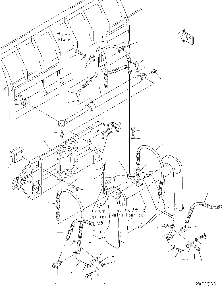
1
2
3
4
5
6
7
8
9
10
10
11
12
13
14
15
16
17
18
19
20
21
22
23
24
25
25
26
27
28
29
30
31
32
33
34
35
36
37
38
39
40
40
41
41
42
43
43
FIT
1:1
100%

Артикул

Название

Примечание

Количество

1

416-905-1173

FRAME

SN: 63001-UP

1шт.

2

416-905-1180

GUIDE

SN: 63001-UP

4шт.

3

01010-31655

BOLT

SN: .-UP

16шт.

|3

0

BOLT

SN: 63001-.

16шт.

4

01643-31645

WASHER

SN: 63001-UP

16шт.

5

417-915-1411

HOSE

SN: 63001-UP

1шт.

6

41H-914-1250

JOINT

SN: 63001-UP

1шт.

7

417-915-1231

TUBE

SN: 63001-UP

1шт.

8

01010-61035

BOLT

SN: 63001-UP

1шт.

9

01010-61020

BOLT

SN: 63001-UP

2шт.

10

01643-31032

WASHER

SN: 63001-UP

3шт.

11

07283-22236

CLIP

SN: 63001-UP

1шт.

12

01643-31032

WASHER

SN: 63001-UP

2шт.

13

01597-01009

NUT

SN: 63001-UP

2шт.

14

417-915-1130

PLATE

SN: 63001-UP

1шт.

15

417-915-1420

HOSE

SN: 63001-UP

1шт.

16

417-915-1330

JOINT ASS'Y

SN: 63001-UP

1шт.

|16

417-915-1340

ADAPTER

SN: 63001-UP

1шт.

|16

417-915-1350

COUPLING

SN: 63001-UP

1шт.

17

417-915-1250

TUBE

SN: 63001-UP

1шт.

18

01010-61020

BOLT

SN: 63001-UP

2шт.

19

01643-31032

WASHER

SN: 63001-UP

2шт.

20

417-915-1411

HOSE

SN: 63001-UP

1шт.

21

41H-914-1250

JOINT

SN: 63001-UP

1шт.

22

417-915-1241

TUBE

SN: 63001-UP

1шт.

23

01010-61035

BOLT

SN: 63001-UP

1шт.

24

01010-61020

BOLT

SN: 63001-UP

2шт.

25

01643-31032

WASHER

SN: 63001-UP

3шт.

26

07283-22236

CLIP

SN: 63001-UP

1шт.

27

01643-31032

WASHER

SN: 63001-UP

2шт.

28

01597-01009

NUT

SN: 63001-UP

2шт.

29

417-915-1130

PLATE

SN: 63001-UP

1шт.

30

417-915-1420

HOSE

SN: 63001-UP

1шт.

31

417-915-1330

JOINT ASS'Y

SN: 63001-UP

1шт.

|31

417-915-1340

ADAPTER

SN: 63001-UP

1шт.

|31

417-915-1350

COUPLING

SN: 63001-UP

1шт.

32

417-915-1260

TUBE

SN: 63001-UP

1шт.

33

01010-61020

BOLT

SN: 63001-UP

2шт.

34

01643-31032

WASHER

SN: 63001-UP

2шт.

35

08034-20536

BAND

SN: 63001-UP

2шт.

36

07123-20412

HOSE

SN: 63001-UP

2шт.

37

198-904-4190

CLAMP

SN: 63001-UP

2шт.

38

01010-60816

BOLT

SN: 63001-UP

4шт.

39

01643-30823

WASHER

SN: 63001-UP

4шт.

40

07235-10422

ELBOW

SN: 63001-UP

2шт.

41

07002-12034

O-RING

SN: 63001-UP

2шт.

42

707-00-X7290

CYLINDER GROUP,SIDE SHIFT

SN: 64001-UP

1шт.

|42

707-00-70230

CYLINDER ASS'Y,SIDE SHIFT

SN: 63001-64000

1шт.

43

07020-00000

FITTING,GREASE

SN: 63001-UP

2шт.

Выбрано товаров: 49