Запчасти Komatsu WA150-3-X ВЕДУЩ. ВАЛ (ЗАДН.)(№-) ВЕДУЩ. ВАЛ¤ ДИФФЕРЕНЦ. И КОЛЕСА

Схема запчастей Komatsu WA150-3-X - ВЕДУЩ. ВАЛ (ЗАДН.)(№-) ВЕДУЩ. ВАЛ¤ ДИФФЕРЕНЦ. И КОЛЕСА
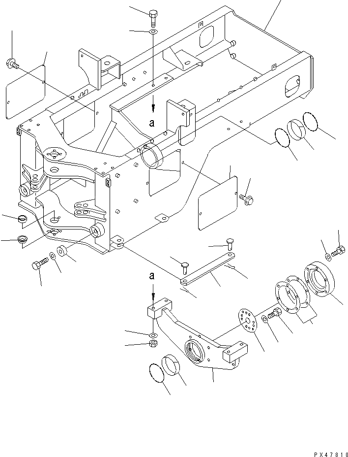
1
2
3
4
4
5
6
7
8
9
FIT
1:1
100%

Артикул

Название

Примечание

Количество

|1

417-20-24110

DRIVE SHAFT ASS'Y,REAR

SN: 10001-UP

1шт.

1

417-20-24650

YOKE AND SHAFT A.

SN: 60001-UP

1шт.

2

417-20-12620

SPIDER ASS'Y

SN: 10001-UP

2шт.

3

417-20-12630

FITTING,GREASE

SN: 10001-UP

2шт.

4

417-20-12690

RING,SNAP

SN: 10001-UP

4шт.

5

01050-61045

BOLT

SN: 10001-UP

8шт.

Выбрано товаров: 6