Запчасти Komatsu WA150-5-A Э/ПРОВОДКА ДВИГАТЕЛЯ (/) (STARTER Э/ПРОВОДКА И ДАТЧИК) (ДЛЯ ТАХОГРАФ) КОМПОНЕНТЫ ДВИГАТЕЛЯ

Схема запчастей Komatsu WA150-5-A - Э/ПРОВОДКА ДВИГАТЕЛЯ (/) (STARTER Э/ПРОВОДКА И ДАТЧИК) (ДЛЯ ТАХОГРАФ) КОМПОНЕНТЫ ДВИГАТЕЛЯ
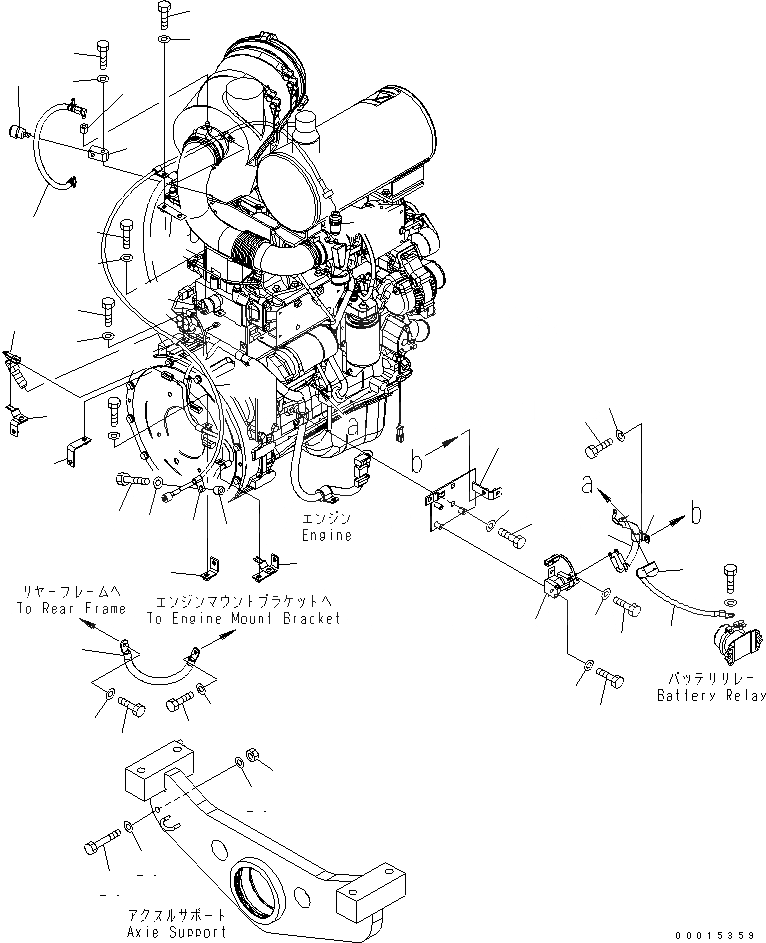
1
2
3
4
5
6
7
7
8
8
9
10
11
12
13
14
15
16
17
18
19
20
21
22
23
24
25
26
26
27
28
29
30
31
32
33
34
35
36
37
37
37
38
38
39
39
40
41
42
43
FIT
1:1
100%

Артикул

Название

Примечание

Количество

1

416-06-32271

WIRE

SN: 65001-UP

1шт.

2

04434-51912

CLIP

SN: 65001-UP

1шт.

3

01010-81020

BOLT

SN: 65001-UP

1шт.

4

01643-31032

WASHER

SN: 65001-UP

1шт.

5

416-06-32280

CABLE

SN: 65001-UP

1шт.

6

08028-AC030

CABLE

SN: 65001-UP

1шт.

7

01010-81020

BOLT

SN: 65001-UP

2шт.

8

01643-31032

WASHER

SN: 65001-UP

2шт.

9

11Y-06-11630

CAP

SN: 65001-UP

1шт.

10

11Y-06-11391

SWITCH,SAFETY RELAY

SN: 65001-UP

1шт.

11

01010-80612

BOLT

SN: 65001-UP

2шт.

12

01643-30623

WASHER

SN: 65001-UP

2шт.

13

416-06-31284

BRACKET

SN: 65001-UP

1шт.

14

01010-81220

BOLT

SN: 65001-UP

2шт.

15

01643-31232

WASHER

SN: 65001-UP

2шт.

16

01010-80816

BOLT

SN: 65001-UP

1шт.

17

01643-30823

WASHER

SN: 65001-UP

1шт.

18

600-815-2170

SWITCH,HEATER

SN: 65001-UP

1шт.

19

01010-80616

BOLT

SN: 65001-UP

2шт.

20

01643-30623

WASHER

SN: 65001-UP

2шт.

21

7861-93-2330

SENSOR

SN: 65001-UP

1шт.

22

416-06-31380

BRACKET

SN: 65001-UP

1шт.

23

416-06-31580

BRACKET

SN: 65001-UP

1шт.

24

416-06-33150

BRACKET

SN: 65001-UP

1шт.

25

01010-81475

BOLT

SN: 65001-UP

1шт.

26

01643-31445

WASHER

SN: 65001-UP

2шт.

27

01580-11411

NUT

SN: 65001-UP

1шт.

28

6217-11-4590

BLOCK

SN: 65001-UP

1шт.

29

08670-02001

INDICATOR

SN: 65001-UP

1шт.

30

01010-81040

BOLT

SN: 65001-UP

1шт.

31

01643-31032

WASHER

SN: 65001-UP

1шт.

32

416-01-33110

ADAPTER

SN: 65001-UP

1шт.

33

08671-50040

HOSE

SN: 65001-UP

1шт.

34

416-Z21-2230

CABLE

SN: 65001-UP

1шт.

35

42A-16-11231

PLATE

SN: 65001-UP

1шт.

36

418-06-31311

BRACKET

SN: 65001-UP

1шт.

37

04434-51012

CLIP

SN: 65001-UP

4шт.

38

01010-81020

BOLT

SN: 65001-UP

2шт.

39

01643-31032

WASHER

SN: 65001-UP

2шт.

40

103-21-31260

BOSS

SN: 65001-UP

1шт.

41

01010-81040

BOLT

SN: 65001-UP

1шт.

42

01643-31032

WASHER

SN: 65001-UP

1шт.

43

232-06-27100

ADAPTER

SN: 65001-UP

1шт.

Выбрано товаров: 43