Запчасти Komatsu WA150-5-CN ЗАДН. Э/ПРОВОДКА (/) (ОСНОВН. Э/ПРОВОДКА) ЭЛЕКТРИКА

Схема запчастей Komatsu WA150-5-CN - ЗАДН. Э/ПРОВОДКА (/) (ОСНОВН. Э/ПРОВОДКА) ЭЛЕКТРИКА
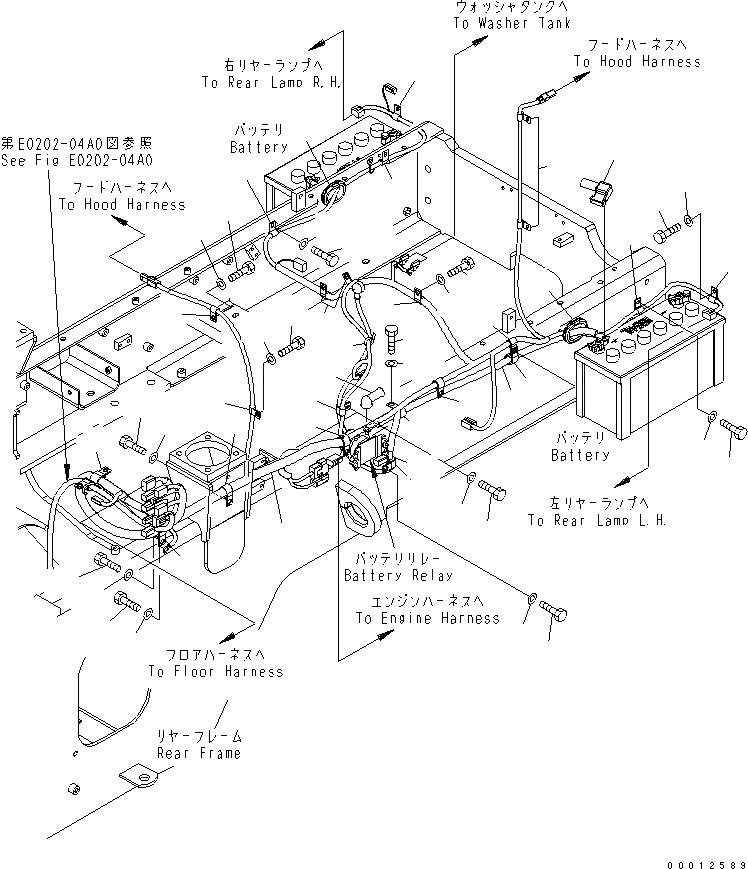
1
2
3
3
4
5
6
6
6
6
7
8
8
8
9
9
9
9
9
9
9
9
9
10
11
12
13
13
13
13
13
13
13
13
13
14
14
14
14
14
14
14
14
14
15
16
17
18
19
20
21
22
FIT
1:1
100%

Артикул

Название

Примечание

Количество

1

416-06-32343

WIRING HARNESS

SN: 65001-UP

1шт.

2

08028-CC085

CABLE

SN: 65001-UP

1шт.

3

426-09-11230

GROMMET

SN: 65001-UP

2шт.

4

04434-52712

CLIP

SN: 65001-UP

1шт.

5

04434-52512

CLIP

SN: 65001-UP

1шт.

6

04434-52312

CLIP

SN: 65001-UP

4шт.

7

04434-51712

CLIP

SN: 65001-UP

1шт.

8

04434-51412

CLIP

SN: 65001-UP

4шт.

9

04434-51012

CLIP

SN: 65001-UP

10шт.

10

07095-20211

CUSHION

SN: 65001-UP

1шт.

11

04434-51712

CLIP

SN: 65001-UP

1шт.

12

08034-40521

BAND

SN: 65001-UP

1шт.

13

01010-81020

BOLT

SN: 65001-UP

17шт.

14

01643-31032

WASHER

SN: 65001-UP

17шт.

15

01010-81025

BOLT

SN: 65001-UP

2шт.

16

01643-31032

WASHER

SN: 65001-UP

2шт.

17

01010-81030

BOLT

SN: 65001-UP

1шт.

18

01643-31032

WASHER

SN: 65001-UP

1шт.

19

01010-81016

BOLT

SN: 65001-UP

2шт.

20

01643-31032

WASHER

SN: 65001-UP

2шт.

21

14X-06-12280

COVER,L.H.

SN: 65001-UP

1шт.

22

08038-06031

CAP

SN: 65001-UP

1шт.

Выбрано товаров: 22