Запчасти Komatsu WA150-5-CN ПЕРЕДАЧА (/) (КОРПУС) ТРАНСМИССИЯ

Схема запчастей Komatsu WA150-5-CN - ПЕРЕДАЧА (/) (КОРПУС) ТРАНСМИССИЯ
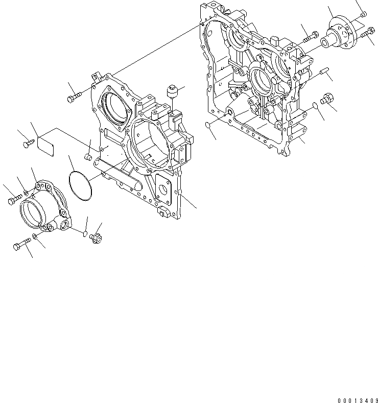
1
2
3
4
5
6
7
8
9
10
11
12
13
14
15
16
17
18
19
20
21
22
23
FIT
1:1
100%

Артикул

Название

Примечание

Количество

|1

416-17-32010

TRANSFER ASS'Y

SN: 65001-UP

1шт.

|$$2

THIS ASSEMBLY CONSISTS OF ALL PARTS SHOWN IN FIGS.F2420-51A0 TO F2420-54A0.

-1шт.

|1

416-17-31101

CASE,GROUP

SN: 65001-UP

1шт.

1

416-17-31111

CASE,FRONT

SN: 65001-UP

1шт.

2

416-17-31121

CASE,REAR

SN: 65001-UP

1шт.

3

01010-81235

BOLT

SN: 65001-UP

17шт.

4

01010-81260

BOLT

SN: 65001-UP

1шт.

5

07000-73022

O-RING

SN: 65001-UP

1шт.

6

04020-01228

PIN

SN: 65001-UP

2шт.

7

07043-70415

PLUG

SN: 65001-UP

1шт.

8

07044-12412

PLUG

SN: 65001-UP

1шт.

9

07002-12434

O-RING

SN: 65001-UP

1шт.

10

07030-00252

BREATHER

SN: 65001-UP

1шт.

11

416-17-32811

SHAFT

SN: 65001-UP

1шт.

12

07043-A0211

PLUG

SN: 65001-UP

2шт.

13

01010-81235

BOLT

SN: 65001-UP

3шт.

14

416-17-36130

CAGE

SN: 65001-UP

1шт.

15

01010-81235

BOLT

SN: 65001-UP

4шт.

16

01643-31232

WASHER

SN: 65001-UP

4шт.

17

01010-81275

BOLT

SN: 65001-UP

2шт.

18

01643-31232

WASHER

SN: 65001-UP

2шт.

19

07040-12412

PLUG

SN: 65001-UP

1шт.

20

07002-12434

O-RING

SN: 65001-UP

1шт.

21

07000-75110

O-RING

SN: 65001-UP

1шт.

22

09608-05080

PLATE¤ NAME

SN: 65001-UP

1шт.

23

04418-13060

SCREW

SN: 65001-UP

4шт.

Выбрано товаров: 0