Запчасти Komatsu WA150-5-CN ГИДР. БАК. ГИДРАВЛИКА

Схема запчастей Komatsu WA150-5-CN - ГИДР. БАК. ГИДРАВЛИКА
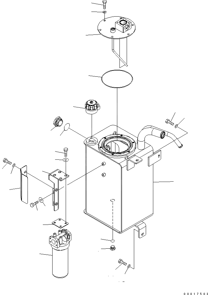
1
1
2
3
4
5
6
7
8
9
10
11
12
13
14
15
16
17
18
19
20
21
22
23
24
FIT
1:1
100%

Артикул

Название

Примечание

Количество

1

416-60-35117

HYDRAULIC TANK

SN: 65018-UP

1шт.

1

416-60-35116

HYDRAULIC TANK,SIGHT

SN: 65001-65017

1шт.

2

421-60-11622

GAUGE

SN: 65001-UP

1шт.

3

07002-15234

O-RING

SN: 65001-UP

1шт.

4

07040-12412

PLUG

SN: 65001-UP

1шт.

5

07002-12434

O-RING

SN: 65001-UP

1шт.

6

418-60-35120

BREATHER

SN: 65001-UP

1шт.

7

416-60-35161

COVER

SN: 65001-UP

1шт.

8

01010-81025

BOLT

SN: 65001-UP

6шт.

9

01643-31032

WASHER

SN: 65001-UP

6шт.

10

07000-15200

O-RING

SN: 65001-UP

1шт.

11

01010-81235

BOLT

SN: 65001-UP

2шт.

12

01643-31232

WASHER

SN: 65001-UP

2шт.

13

01010-81230

BOLT

SN: 65001-UP

1шт.

14

01643-31232

WASHER

SN: 65001-UP

1шт.

15

419-60-35142

FILTER ASS'Y

SN: 65001-UP

1шт.

|15

419-60-35152

CARTRIDGE

SN: 65001-UP

1шт.

16

418-60-35190

PLATE

SN: 65001-UP

1шт.

17

01010-81035

BOLT

SN: 65001-UP

4шт.

18

203-54-56970

WASHER

SN: 65001-UP

4шт.

19

418-60-35152

PLATE

SN: 65001-UP

1шт.

20

01010-81020

BOLT

SN: 65001-UP

2шт.

21

203-54-56970

WASHER

SN: 65001-UP

2шт.

22

416-60-35210

COVER

SN: 65001-UP

1шт.

23

01010-81020

BOLT

SN: 65001-UP

2шт.

24

01643-31032

WASHER

SN: 65001-UP

2шт.

Выбрано товаров: 26