Запчасти Komatsu WA150-5 КОНДИЦ. ВОЗДУХА(№7-) КАБИНА ОПЕРАТОРА И СИСТЕМА УПРАВЛЕНИЯ

Схема запчастей Komatsu WA150-5 - КОНДИЦ. ВОЗДУХА(№7-) КАБИНА ОПЕРАТОРА И СИСТЕМА УПРАВЛЕНИЯ
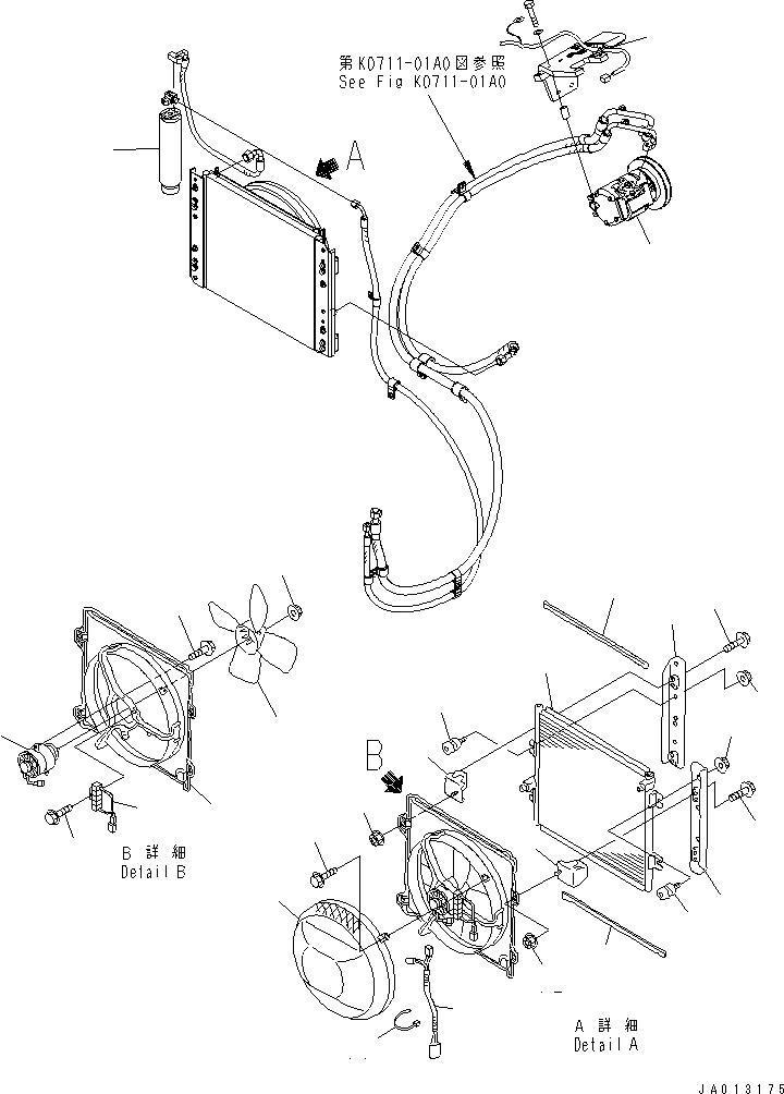
1
2
3
4
5
6
7
8
9
10
10
11
11
12
12
13
14
15
16
17
18
18
19
19
20
20
21
22
23
FIT
1:1
100%

Артикул

Название

Примечание

Количество

|$1

418-S62-3121

AIR CONDITIONER KIT

SN: 73108-UP

1шт.

|$2

418-S62-3120

AIR CONDITIONER KIT

SN: 70001-73107

1шт.

|$3

418-S62-3150

CONDENSER ASS'Y

SN: 70001-UP

1шт.

1

ND447710-8641

CORE

SN: 70001-UP

1шт.

|$5

ND022740-3990

BLOWER ASS'Y

SN: 70001-UP

1шт.

2

0

SHROUD ASS'Y

SN: 70001-UP

1шт.

3

0

FAN

SN: 70001-UP

1шт.

4

0

MOTOR ASS'Y

SN: 70001-UP

1шт.

5

0

NUT

SN: 70001-UP

1шт.

6

0

BOLT

SN: 70001-UP

3шт.

7

ND146810-9580

RESISTOR

SN: 70001-UP

1шт.

8

ND91570-06121

BOLT

SN: 70001-UP

1шт.

9

ND047790-2080

BRACKET

SN: 70001-UP

1шт.

10

ND047782-4060

BRACKET

SN: 70001-UP

4шт.

11

ND91478-08301

BOLT

SN: 70001-UP

8шт.

12

ND92156-08081

NUT

SN: 70001-UP

4шт.

13

ND146370-7380

COVER

SN: 70001-UP

1шт.

14

ND91570-06161

BOLT

SN: 70001-UP

3шт.

15

ND047790-2090

BRACKET

SN: 70001-UP

1шт.

16

ND246460-9250

WIRING HARNESS

SN: 70001-UP

1шт.

17

ND949350-4320

CLIP

SN: 70001-UP

1шт.

18

ND949056-1430

NUT

SN: 70001-UP

4шт.

19

ND146540-3100

BRACKET

SN: 70001-UP

4шт.

20

ND040014-0940

PACKING

SN: 70001-UP

2шт.

21

418-S62-3161

COMPRESSOR ASS'Y

SN: 73108-UP

1шт.

21

0

COMPRESSOR ASS'Y

SN: 70001-73107

1шт.

22

20Y-979-3120

TANK

SN: 70001-UP

1шт.

23

08034-40521

BAND

SN: 73108-UP

1шт.

Выбрано товаров: 28