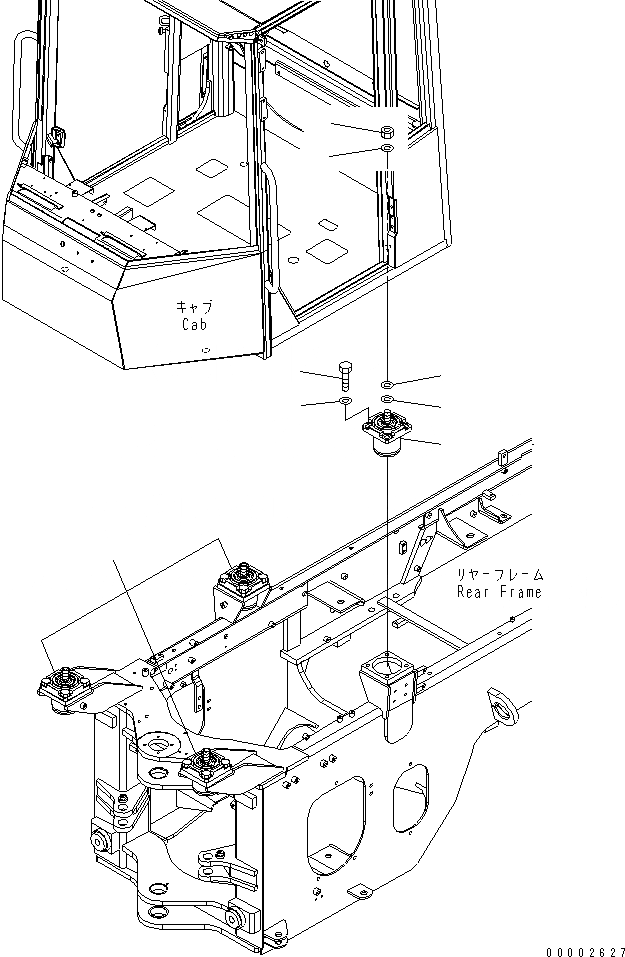
Запчасти Komatsu WA150-5 ПОЛ СУППОРТ КАБИНА ОПЕРАТОРА И СИСТЕМА УПРАВЛЕНИЯ

Схема запчастей Komatsu WA150-5 - ПОЛ СУППОРТ КАБИНА ОПЕРАТОРА И СИСТЕМА УПРАВЛЕНИЯ
1
1
2
2
3
4
5
6
FIT
1:1
100%

Артикул

Название

Примечание

Количество

1

416-54-33141

DAMPER

SN: 77135-UP

4шт.

1

0

DAMPER

SN: 65001-77134

4шт.

2

01643-32460

WASHER

SN: 65001-UP

8шт.

3

01596-02419

NUT

SN: 65001-UP

4шт.

4

01010-81845

BOLT

SN: 65001-UP

16шт.

5

01643-31845

WASHER

SN: 65001-UP

16шт.

6

561-40-41210

SHIM, 1.2MM

SN: 65001-UP

4шт.

Выбрано товаров: 0