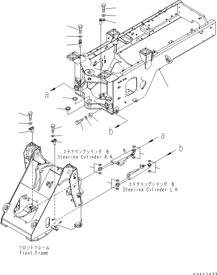
Запчасти Komatsu WA150-5 ЗАДН. РАМА (С ОГНЕТУШИТЕЛЬ) ОСНОВНАЯ РАМА И ЕЕ ЧАСТИ

Схема запчастей Komatsu WA150-5 - ЗАДН. РАМА (С ОГНЕТУШИТЕЛЬ) ОСНОВНАЯ РАМА И ЕЕ ЧАСТИ
1
2
3
4
4
4
4
5
5
5
5
6
6
6
6
7
7
7
7
8
9
10
FIT
1:1
100%

Артикул

Название

Примечание

Количество

1

416-968-3513

FRAME,REAR

SN: 75918-UP

1шт.

1

0

FRAME,REAR

SN: (75918-75930)

1шт.

1

0

FRAME,REAR

SN: 71062-75917

1шт.

1

416-968-3510

FRAME,REAR

SN: 65001-71061

1шт.

2

417-46-22210

BUSHING

SN: 65001-UP

1шт.

3

417-46-22220

BUSHING

SN: 65001-UP

1шт.

4

416-46-32210

PIN

SN: 65001-UP

4шт.

5

205-27-51360

SHIM, 0.5MM

SN: 65001-UP

20шт.

6

01010-81220

BOLT

SN: 65001-UP

4шт.

7

175-54-34170

WASHER

SN: 65001-UP

4шт.

8

416-46-11210

BUMPER

SN: 65001-UP

2шт.

9

01010-81225

BOLT

SN: 65001-UP

2шт.

10

01643-31232

WASHER

SN: 65001-UP

2шт.

Выбрано товаров: 13