Запчасти Komatsu WA150-5 ЛИНИЯ ОХЛАЖДЕНИЯ СИСТЕМА ОХЛАЖДЕНИЯ

Схема запчастей Komatsu WA150-5 - ЛИНИЯ ОХЛАЖДЕНИЯ СИСТЕМА ОХЛАЖДЕНИЯ
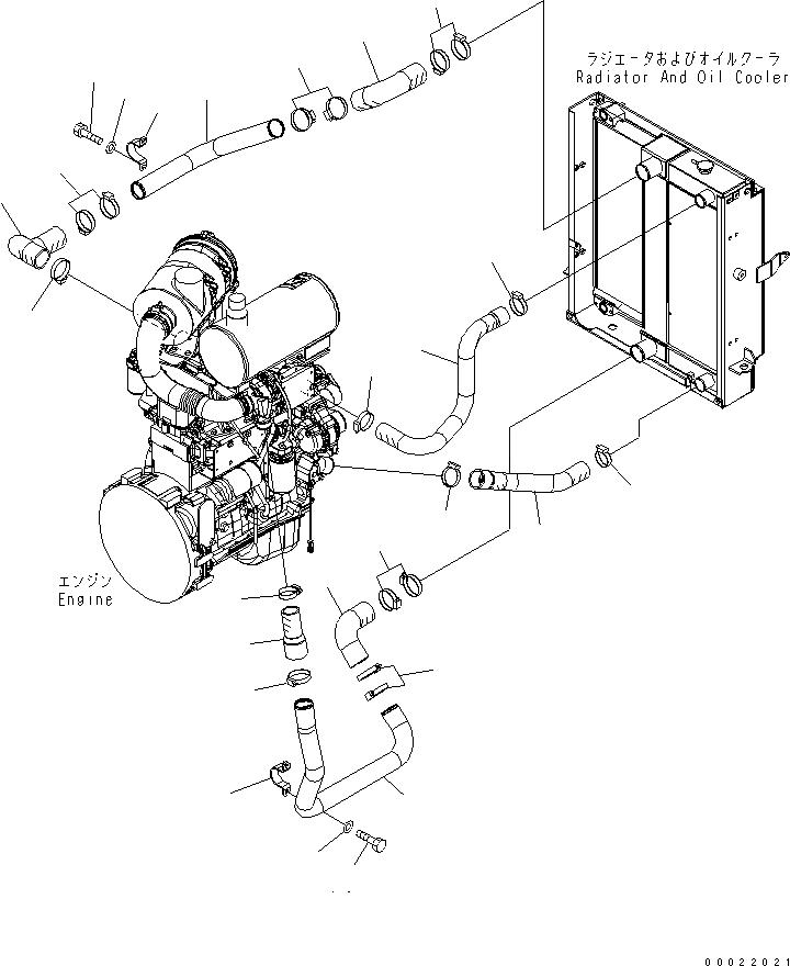
1
2
2
3
4
5
6
7
7
8
9
10
11
12
13
13
14
15
15
16
17
18
19
20
21
21
FIT
1:1
100%

Артикул

Название

Примечание

Количество

1

416-03-32112

HOSE

SN: 65001-UP

1шт.

2

07289-00070

CLAMP

SN: 65001-UP

2шт.

3

416-03-32123

HOSE

SN: 65001-UP

1шт.

4

07289-00055

CLAMP

SN: 65001-UP

1шт.

5

07289-00070

CLAMP

SN: 65001-UP

1шт.

6

416-03-32133

HOSE

SN: 65001-UP

1шт.

7

07299-00070

CLAMP

SN: 65001-UP

2шт.

8

416-03-32146

TUBE

SN: 65001-UP

1шт.

9

418-03-32261

PLATE

SN: 65001-UP

1шт.

10

01010-81235

BOLT

SN: 65001-UP

2шт.

11

01643-31232

WASHER

SN: 65001-UP

2шт.

12

416-03-32190

HOSE

SN: 65001-UP

1шт.

13

07299-00070

CLAMP

SN: 65001-UP

4шт.

14

418-03-32160

HOSE

SN: 65001-UP

1шт.

15

07289-00070

CLAMP

SN: 65001-UP

4шт.

16

416-03-32174

TUBE

SN: 65001-UP

1шт.

17

418-03-31251

PLATE

SN: 65001-UP

1шт.

18

01010-81225

BOLT

SN: 65001-UP

2шт.

19

01643-31232

WASHER

SN: 65001-UP

2шт.

20

416-03-32181

HOSE

SN: 65001-UP

1шт.

21

07289-00070

CLAMP

SN: 65001-UP

3шт.

Выбрано товаров: 21