Запчасти Komatsu WA150-5 ПОЛ (ПОЛ Э/ПРОВОДКА) (ОСНОВН. Э/ПРОВОДКА) (ДЛЯ НАВЕСА И КРОМЕ ЯПОН.)(№-78) КАБИНА ОПЕРАТОРА И СИСТЕМА УПРАВЛЕНИЯ

Схема запчастей Komatsu WA150-5 - ПОЛ (ПОЛ Э/ПРОВОДКА) (ОСНОВН. Э/ПРОВОДКА) (ДЛЯ НАВЕСА И КРОМЕ ЯПОН.)(№-78) КАБИНА ОПЕРАТОРА И СИСТЕМА УПРАВЛЕНИЯ
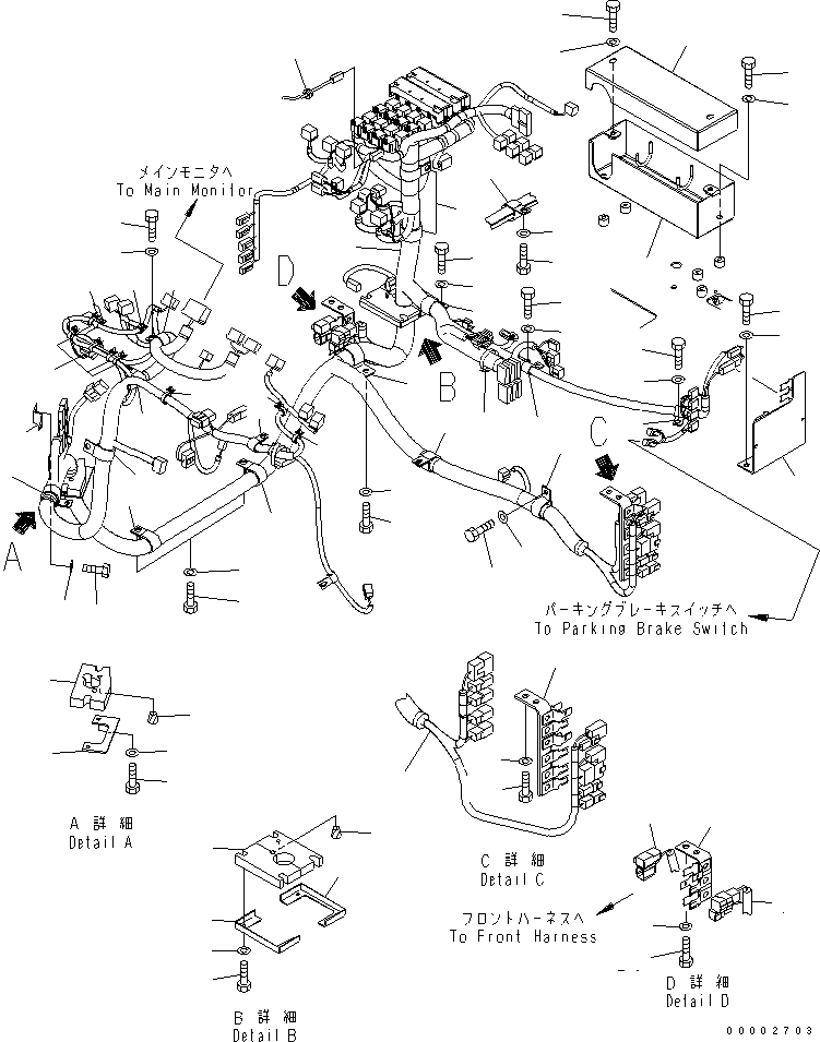
1
1
1
1
2
3
3
3
3
3
3
4
4
5
6
6
7
7
8
8
8
8
8
8
8
9
9
9
9
9
9
9
10
11
12
13
14
15
16
16
17
18
19
20
21
22
23
24
25
26
27
28
29
30
30
30
30
30
30
31
32
33
34
35
36
37
38
39
40
41
42
43
FIT
1:1
100%

Артикул

Название

Примечание

Количество

1

418-06-32624

WIRING HARNESS

SN: 73859-76480

1шт.

1

418-06-32623

WIRING HARNESS

SN: 72085-73858

1шт.

1

418-06-32622

WIRING HARNESS

SN: 71529-72084

1шт.

1

418-06-32621

WIRING HARNESS

SN: 65001-71528

1шт.

1

20Y-06-25250

DIODE, 1.5A

SN: 65001-@

2шт.

1

20Y-06-25260

DIODE, 1.5A

SN: 65001-@

1шт.

1

283-06-16110

BOX

SN: 65001-@

2шт.

1

283-06-16160

TERMINAL

SN: 65001-@

60шт.

1

418-06-35210

DIODE, 3A

SN: 65001-76480

6шт.

1

418-06-35220

DIODE, 1.5A

SN: 73859-@

3шт.

1

418-06-35220

DIODE, 1.5A

SN: 65001-73858

2шт.

2

04434-53212

CLIP

SN: 65001-@

1шт.

3

04434-53412

CLIP

SN: 65001-@

6шт.

4

23S-62-25850

CLIP

SN: 65001-@

3шт.

5

04434-51912

CLIP

SN: 65001-@

1шт.

6

04434-51712

CLIP

SN: 65001-@

2шт.

7

04434-52312

CLIP

SN: 65001-@

2шт.

8

01010-81016

BOLT

SN: 65001-@

15шт.

9

01643-31032

WASHER

SN: 65001-@

15шт.

10

08034-20519

BAND

SN: 65001-@

8шт.

11

417-06-22410

PLATE

SN: 65001-@

1шт.

12

418-06-32452

SHEET

SN: 65001-@

1шт.

13

07049-01012

PLUG

SN: 65001-@

1шт.

14

01010-80625

BOLT

SN: 65001-@

2шт.

15

01643-30623

WASHER

SN: 65001-@

2шт.

16

418-06-31610

PLATE

SN: 65001-@

2шт.

17

418-06-31640

SHEET

SN: 65001-@

1шт.

18

07049-01012

PLUG

SN: 65001-@

1шт.

19

01010-80612

BOLT

SN: 65001-@

4шт.

20

01643-30623

WASHER

SN: 65001-@

4шт.

21

419-06-31333

BRACKET

SN: 65001-@

1шт.

22

01010-81016

BOLT

SN: 65001-@

2шт.

23

01643-31032

WASHER

SN: 65001-@

2шт.

24

419-06-31343

BRACKET

SN: 65001-@

1шт.

25

01010-81016

BOLT

SN: 65001-@

2шт.

26

01643-31032

WASHER

SN: 65001-@

2шт.

27

418-06-31381

BRACKET

SN: 65001-@

1шт.

28

01010-81025

BOLT

SN: 65001-@

2шт.

29

01643-31032

WASHER

SN: 65001-@

2шт.

30

08059-00310

CLIP

SN: 65001-@

20шт.

31

04434-53412

CLIP

SN: 65001-@

1шт.

32

01010-81020

BOLT

SN: 65001-@

1шт.

33

01643-31032

WASHER

SN: 65001-@

1шт.

34

417-06-12560

GROMMET

SN: 65001-@

1шт.

35

418-54-33350

COVER

SN: 65001-@

1шт.

36

01010-81020

BOLT

SN: 65001-@

4шт.

37

01643-31032

WASHER

SN: 65001-@

4шт.

38

418-54-33360

COVER

SN: 65001-@

1шт.

39

01010-81020

BOLT

SN: 65001-@

2шт.

40

01643-31032

WASHER

SN: 65001-@

2шт.

41

08193-21012

CLIP

SN: 65001-@

1шт.

42

01010-81020

BOLT

SN: 65001-@

1шт.

43

01643-31032

WASHER

SN: 65001-@

1шт.

Выбрано товаров: 53