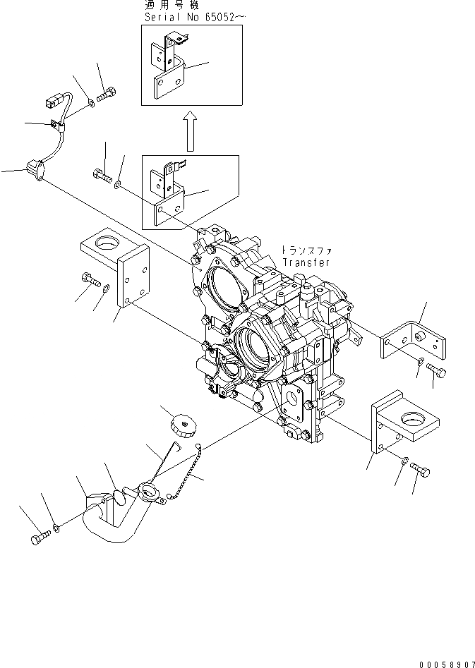
Запчасти Komatsu WA150-5 ПЕРЕДАЧА КРЕПЛЕНИЕ (КОРПУС И ДАТЧИК) (ДЛЯ КРОМЕ ЯПОН.)(№-77) СИЛОВАЯ ПЕРЕДАЧА

Схема запчастей Komatsu WA150-5 - ПЕРЕДАЧА КРЕПЛЕНИЕ (КОРПУС И ДАТЧИК) (ДЛЯ КРОМЕ ЯПОН.)(№-77) СИЛОВАЯ ПЕРЕДАЧА
1
2
3
4
5
6
7
8
9
10
10
11
12
13
14
15
16
17
18
19
20
21
22
23
FIT
1:1
100%

Артикул

Название

Примечание

Количество

|$$1

SERIAL NO. IN ( ) INDICATES TRANSMISSION SERIAL NO.

-1шт.

1

416-14-31612

BRACKET,L.H.

SN: 65001-@

1шт.

2

01010-81240

BOLT

SN: 65001-@

4шт.

3

01643-31232

WASHER

SN: 65001-@

4шт.

4

416-14-31622

BRACKET,R.H.

SN: 65001-@

1шт.

5

01010-81240

BOLT

SN: 65001-@

4шт.

6

01643-31232

WASHER

SN: 65001-@

4шт.

7

416-14-31652

BRACKET,L.H.

SN: 65001-@

1шт.

8

01010-81230

BOLT

SN: 65001-@

2шт.

9

01643-31232

WASHER

SN: 65001-@

2шт.

10

416-14-31150

BRACKET,R.H.

SN: 65052-@

1шт.

10

416-14-31632

BRACKET,R.H.

SN: 65001-65051

1шт.

11

01010-81230

BOLT

SN: 65001-@

2шт.

12

01643-31232

WASHER

SN: 65001-@

2шт.

13

416-17-34320

TUBE,FILLER

SN: 65001-@

1шт.

13

0

TUBE,FILLER

SN: (65001-65051)

4шт.

14

416-18-32622

GAUGE

SN: 65001-@

1шт.

14

0

GAUGE

SN: (65001-71754)

1шт.

15

6136-21-7120

CAP ASS'Y

SN: 65001-@

1шт.

15

6136-21-7180

GASKET

SN: 65001-@

1шт.

16

6136-21-7190

CHAIN

SN: 65001-@

1шт.

17

07000-A2065

O-RING

SN: 65001-@

1шт.

18

01010-81045

BOLT

SN: 65001-@

3шт.

19

01643-31032

WASHER

SN: 65001-@

3шт.

20

418-18-31502

SENSOR

SN: 65001-@

1шт.

20

0

SENSOR

SN: (65001-65096)

1шт.

21

04434-50812

CLIP

SN: 65001-@

1шт.

22

01010-81020

BOLT

SN: 65001-@

1шт.

23

01643-31032

WASHER

SN: 65001-@

1шт.

Выбрано товаров: 0