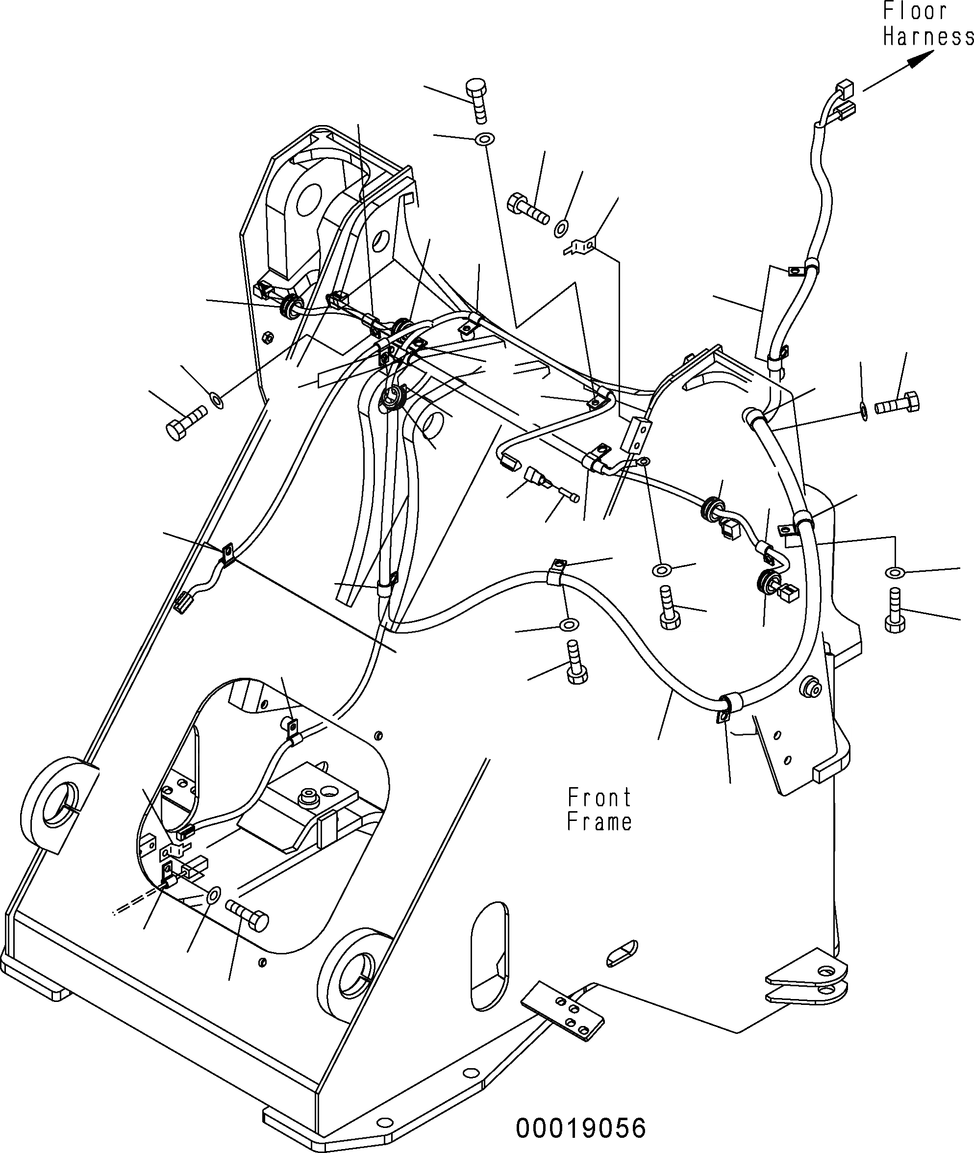
Запчасти Komatsu WA150-5 ПЕРЕДН. Э/ПРОВОДКА E ЭЛЕКТРИКА

Схема запчастей Komatsu WA150-5 - ПЕРЕДН. Э/ПРОВОДКА E ЭЛЕКТРИКА
3
8
4
13
9
14
12
2
3
2
5
8
9
9
5
8
6
3
5
2
2
4
7
15
3
5
16
5
11
9
5
10
8
11
2
3
10
1
12
7
3
9
8
FIT
1:1
100%

Артикул

Название

Примечание

Количество

1

416-06-32510

WIRING HARNESS

SN: H50001-UP

1шт.

2

418-06-12430

GROMMET

SN: H50001-UP

5шт.

3

04434-51012

CLIP

SN: H50001-UP

7шт.

4

04434-51412

CLIP

SN: H50001-UP

2шт.

5

04434-51712

CLIP

SN: H50001-UP

7шт.

6

04434-52312

CLIP

SN: H50001-UP

1шт.

7

04434-52512

CLIP

SN: H50001-UP

2шт.

8

01010-81020

BOLT

SN: H50001-UP

20шт.

9

01643-31032

WASHER

SN: H50001-UP

20шт.

10

01010-81016

BOLT

SN: H50001-UP

2шт.

11

01643-31032

WASHER

SN: H50001-UP

2шт.

12

08193-21012

CLIP

SN: H50001-UP

2шт.

13

01010-81016

BOLT

SN: H50001-UP

1шт.

14

01643-31032

WASHER

SN: H50001-UP

1шт.

15

08192-23100

CONNECTOR

SN: H50001-UP

1шт.

16

08191-00770

PLUG

SN: H50001-UP

3шт.

Выбрано товаров: 16