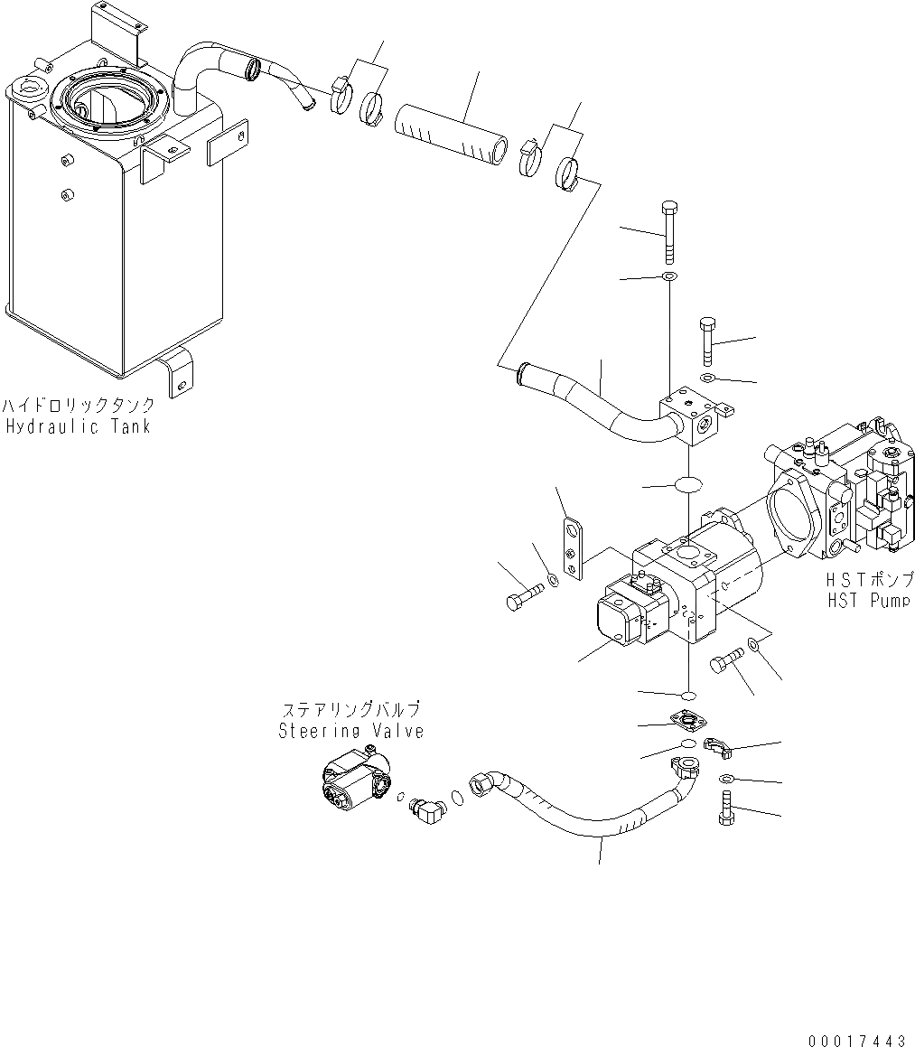
Запчасти Komatsu WA150-5 ГИДР. НАСОС. H ГИДРАВЛИКА

Схема запчастей Komatsu WA150-5 - ГИДР. НАСОС. H ГИДРАВЛИКА
12
11
12
9
10
8
10
6
7
5
4
3
1
4
2
15
13
15
18
16
17
14
FIT
1:1
100%

Артикул

Название

Примечание

Количество

1

705-56-34690

PUMP ASSEMBLY

SN: H50001-UP

1шт.

2

01016-51645

BOLT

SN: H50001-UP

1шт.

3

01016-51650

BOLT

SN: H50001-UP

1шт.

4

01643-31645

WASHER

SN: H50001-UP

2шт.

5

416-62-33390

PLATE

SN: H50001-UP

1шт.

6

416-62-33613

TUBE

SN: H50001-UP

1шт.

7

07000-12060

O-RING

SN: H50001-UP

1шт.

8

01010-81295

BOLT

SN: H50001-UP

3шт.

9

01011-81230

BOLT

SN: H50001-UP

1шт.

10

01643-31232

WASHER

SN: H50001-UP

4шт.

11

07260-04725

HOSE

SN: H50001-UP

1шт.

12

07289-00070

CLAMP

SN: H50001-UP

4шт.

13

07373-31000

SPACER

SN: H50001-UP

1шт.

14

07371-31049

FLANGE

SN: H50001-UP

2шт.

15

07000-13032

O-RING

SN: H50001-UP

2шт.

16

07372-21040

BOLT

SN: H50001-UP

4шт.

17

01643-51032

WASHER

SN: H50001-UP

4шт.

18

416-62-33652

HOSE

SN: H50001-UP

1шт.

Выбрано товаров: 18