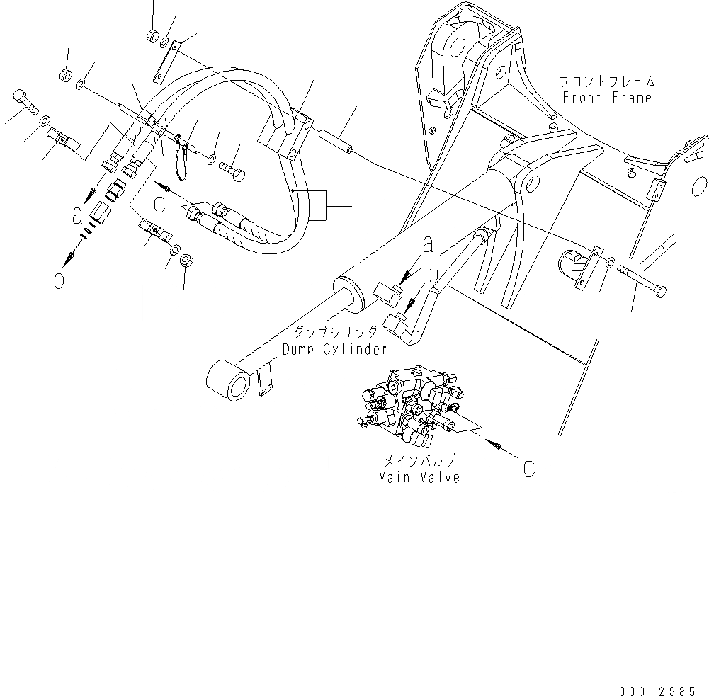
Запчасти Komatsu WA150-5 ГИДРОЛИНИЯ (ГИДРОЦИЛИНДР КОВША ТРУБЫ) H ГИДРАВЛИКА

Схема запчастей Komatsu WA150-5 - ГИДРОЛИНИЯ (ГИДРОЦИЛИНДР КОВША ТРУБЫ) H ГИДРАВЛИКА
17
11
3
4
2
12
7
16
14
13
18
8
10
9
7
2
6
5
16
15
1
FIT
1:1
100%

Артикул

Название

Примечание

Количество

1

416-62-33421

HOSE

SN: H50001-UP

2шт.

2

417-62-13470

CLAMP

SN: H50001-UP

2шт.

3

01010-81055

BOLT

SN: H50001-UP

1шт.

4

01643-31032

WASHER

SN: H50001-UP

1шт.

5

01580-11008

NUT

SN: H50001-UP

1шт.

6

01643-31032

WASHER

SN: H50001-UP

1шт.

7

424-09-12570

CLIP

SN: H50001-UP

2шт.

8

419-62-13460

WIRE

SN: H50001-UP

1шт.

9

01010-81230

BOLT

SN: H50001-UP

2шт.

10

01643-31232

WASHER

SN: H50001-UP

2шт.

11

01580-11210

NUT

SN: H50001-UP

2шт.

12

01643-31232

WASHER

SN: H50001-UP

2шт.

13

416-62-33830

STRIP

SN: H50001-UP

1шт.

14

417-62-23550

PLATE

SN: H50001-UP

1шт.

15

01011-81050

BOLT

SN: H50001-UP

2шт.

16

01643-31032

WASHER

SN: H50001-UP

4шт.

17

01580-11008

NUT

SN: H50001-UP

2шт.

18

195-01-16261

COLLAR

SN: H50001-UP

2шт.

Выбрано товаров: 18