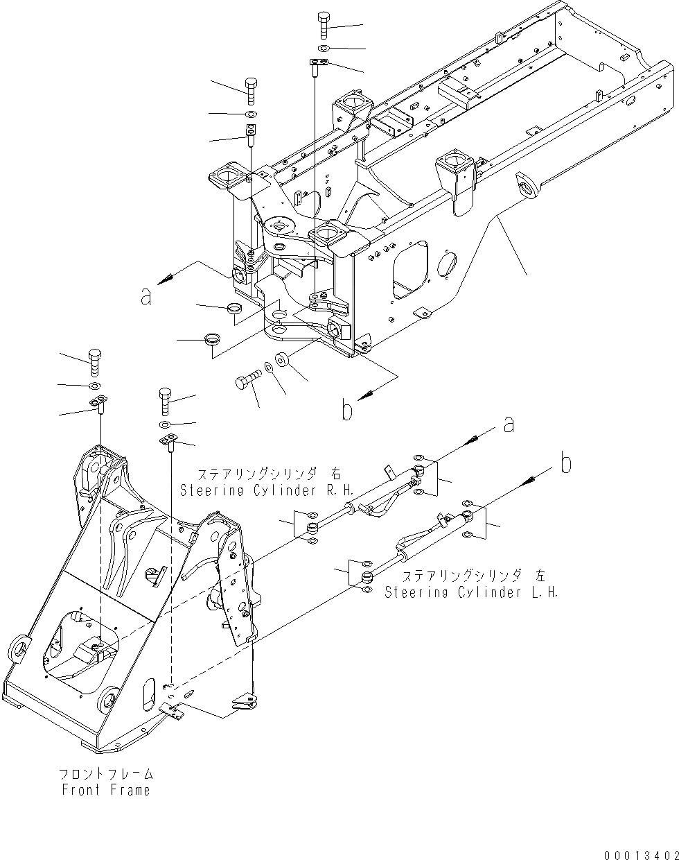
Запчасти Komatsu WA150-5 ЗАДН. РАМА J ОСНОВНАЯ РАМА И ЕЕ ЧАСТИ

Схема запчастей Komatsu WA150-5 - ЗАДН. РАМА J ОСНОВНАЯ РАМА И ЕЕ ЧАСТИ
10
1
6
7
4
6
7
4
3
2
6
7
8
6
4
9
7
4
5
5
5
5
FIT
1:1
100%

Артикул

Название

Примечание

Количество

1

416-46-H2113

FRAME

SN: H50051-UP

1шт.

2

417-46-22210

BUSHING

SN: H50051-UP

1шт.

3

417-46-22220

BUSHING

SN: H50051-UP

1шт.

4

416-46-32210

PIN

SN: H50051-UP

4шт.

5

205-27-51360

SHIM, 0.5MM

SN: H50051-UP

20шт.

6

01010-81220

BOLT

SN: H50051-UP

4шт.

7

175-54-34170

WASHER

SN: H50051-UP

4шт.

8

416-46-11210

BUMPER

SN: H50051-UP

2шт.

9

01010-81225

BOLT

SN: H50051-UP

2шт.

10

01643-31232

WASHER

SN: H50051-UP

2шт.

Выбрано товаров: 10