Запчасти Komatsu WA150-5 КОНДИЦ. ВОЗДУХА (КРЕПЛЕНИЕ КОНДЕНСАТОРА) K OPERATORґS ОБСТАНОВКА И СИСТЕМА УПРАВЛЕНИЯ

Схема запчастей Komatsu WA150-5 - КОНДИЦ. ВОЗДУХА (КРЕПЛЕНИЕ КОНДЕНСАТОРА) K OPERATORґS ОБСТАНОВКА И СИСТЕМА УПРАВЛЕНИЯ
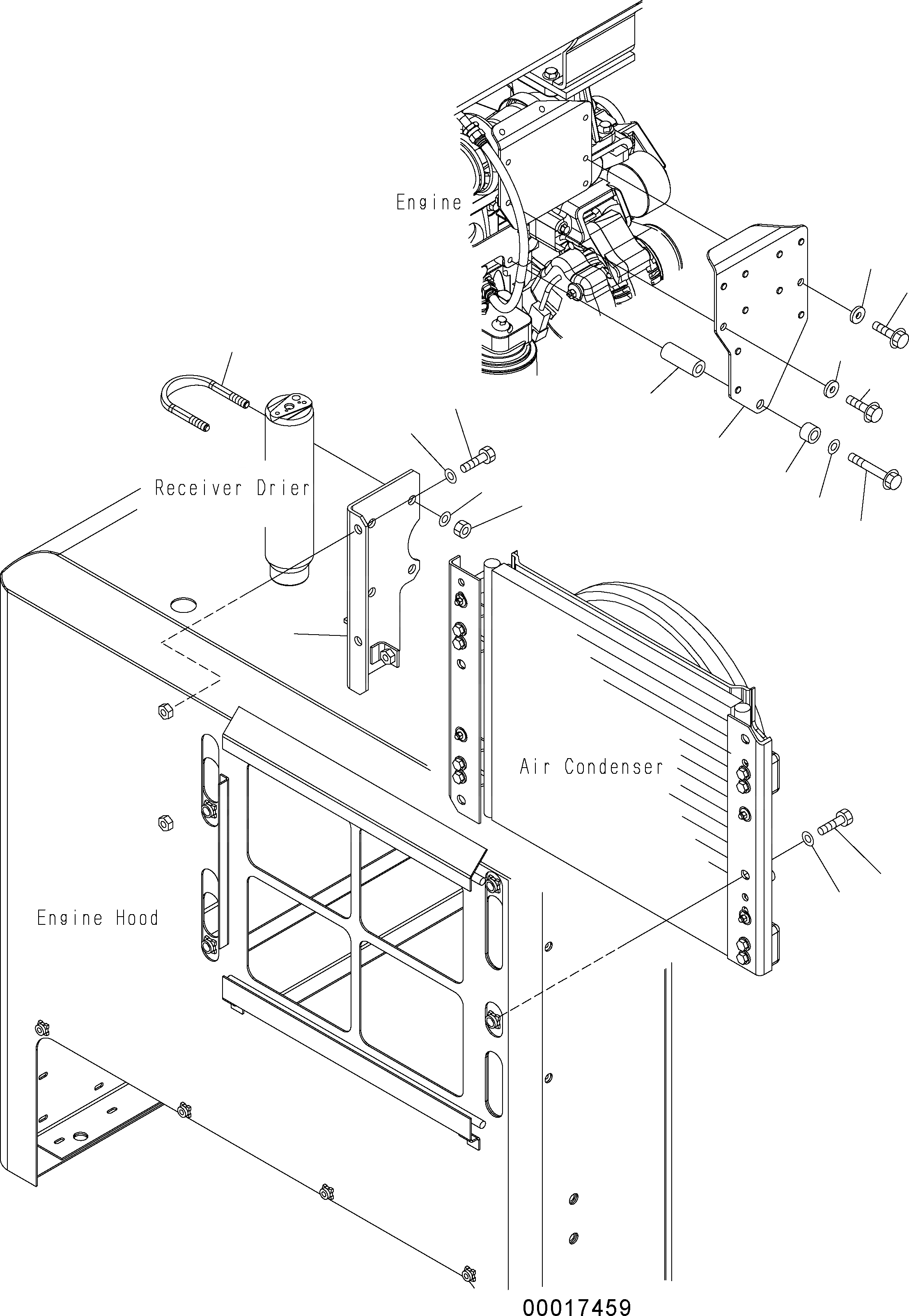
14
15
6
14
15
3
10
4
9
8
11
7
13
12
5
1
2
FIT
1:1
100%

Артикул

Название

Примечание

Количество

1

01010-81220

BOLT

SN: H50001-UP

4шт.

2

01643-31232

WASHER

SN: H50001-UP

4шт.

3

01010-81025

BOLT

SN: H50001-UP

2шт.

4

01643-31032

WASHER

SN: H50001-UP

2шт.

5

416-S62-3323

BRACKET

SN: H50001-UP

1шт.

6

07283-26155

CLIP

SN: H50001-UP

2шт.

7

01597-01009

NUT

SN: H50001-UP

4шт.

8

01643-31032

WASHER

SN: H50001-UP

4шт.

9

6737-81-8310

COVER

SN: H50001-UP

1шт.

10

6150-81-6940

SPACER

SN: H50001-UP

1шт.

11

6206-11-4590

SPACER

SN: H50001-UP

1шт.

12

01435-01095

BOLT

SN: H50001-UP

1шт.

13

01643-31032

WASHER

SN: H50001-UP

1шт.

14

154-61-16570

WASHER

SN: H50001-UP

2шт.

15

01435-00820

BOLT

SN: H50001-UP

2шт.

Выбрано товаров: 15