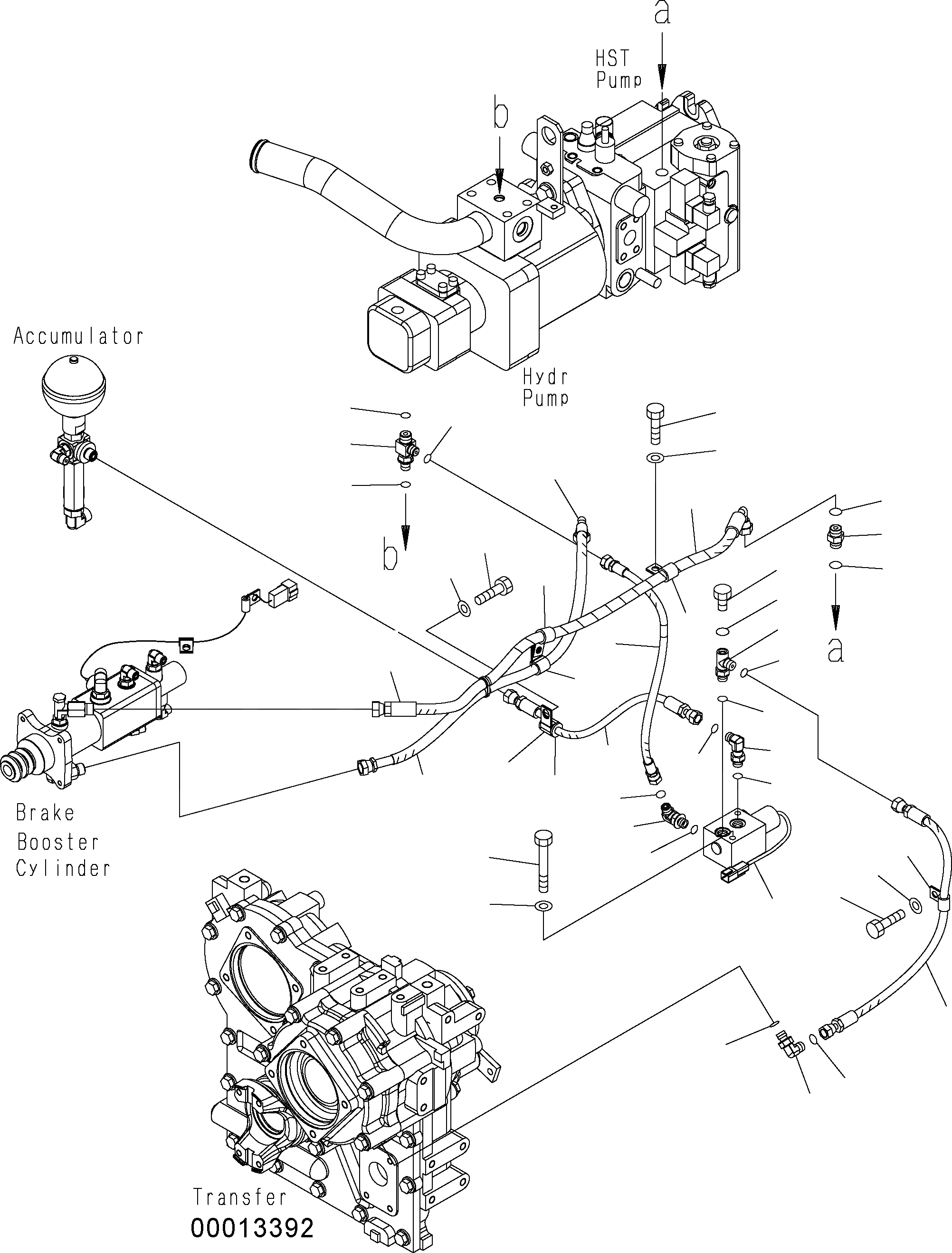
Запчасти Komatsu WA150-5 INCHING УПРАВЛ-Е K OPERATORґS ОБСТАНОВКА И СИСТЕМА УПРАВЛЕНИЯ

Схема запчастей Komatsu WA150-5 - INCHING УПРАВЛ-Е K OPERATORґS ОБСТАНОВКА И СИСТЕМА УПРАВЛЕНИЯ
16
17
13
15
14
10
11
11
10
12
7
36
30
31
28
37
33
27
32
29
25
23
24
34
26
34
9
32
35
21
12
22
33
18
2
20
19
3
1
8
5
6
4
FIT
1:1
100%

Артикул

Название

Примечание

Количество

1

417-18-31111

VALVE ASSEMBLY

SN: H50001-UP

1шт.

2

01010-80870

BOLT

SN: H50001-UP

2шт.

3

01643-30823

WASHER

SN: H50001-UP

2шт.

4

02782-10210

ELBOW

SN: H50001-UP

1шт.

5

07002-11423

O-RING

SN: H50001-UP

1шт.

6

02896-11008

O-RING

SN: H50001-UP

1шт.

7

416-18-33971

HOSE

SN: H50001-UP

1шт.

8

416-18-33980

HOSE

SN: H50001-UP

1шт.

9

416-18-33990

HOSE

SN: H50001-UP

1шт.

10

21W-62-43970

ELBOW

SN: H50001-UP

2шт.

11

07000-12011

O-RING

SN: H50001-UP

2шт.

12

02896-11008

O-RING

SN: H50001-UP

2шт.

13

418-18-31111

ELBOW

SN: H50001-UP

1шт.

14

07000-12011

O-RING

SN: H50001-UP

1шт.

15

02896-11008

O-RING

SN: H50001-UP

1шт.

16

07040-11007

PLUG

SN: H50001-UP

1шт.

17

07002-11023

O-RING

SN: H50001-UP

1шт.

18

04434-51210

CLIP

SN: H50001-UP

1шт.

19

01010-81020

BOLT

SN: H50001-UP

1шт.

20

01643-31032

WASHER

SN: H50001-UP

1шт.

21

04434-51710

CLIP

SN: H50001-UP

1шт.

22

07095-20211

CUSHION

SN: H50001-UP

1шт.

23

01010-81220

BOLT

SN: H50001-UP

1шт.

24

01643-31232

WASHER

SN: H50001-UP

1шт.

25

56B-88-12230

UNION

SN: H50001-UP

1шт.

26

07000-12014

O-RING

SN: H50001-UP

1шт.

27

02896-11009

O-RING

SN: H50001-UP

1шт.

28

20U-62-41820

TEE

SN: H50001-UP

1шт.

29

07002-11423

O-RING

SN: H50001-UP

1шт.

30

02896-11008

O-RING

SN: H50001-UP

1шт.

31

02896-11009

O-RING

SN: H50001-UP

1шт.

32

416-18-33863

HOSE

SN: H50001-UP

1шт.

33

416-18-33961

HOSE

SN: H50001-UP

1шт.

34

04434-51610

CLIP

SN: H50001-UP

2шт.

35

04434-51510

CLIP

SN: H50001-UP

1шт.

36

01010-81020

BOLT

SN: H50001-UP

2шт.

37

01643-31032

WASHER

SN: H50001-UP

2шт.

Выбрано товаров: 37