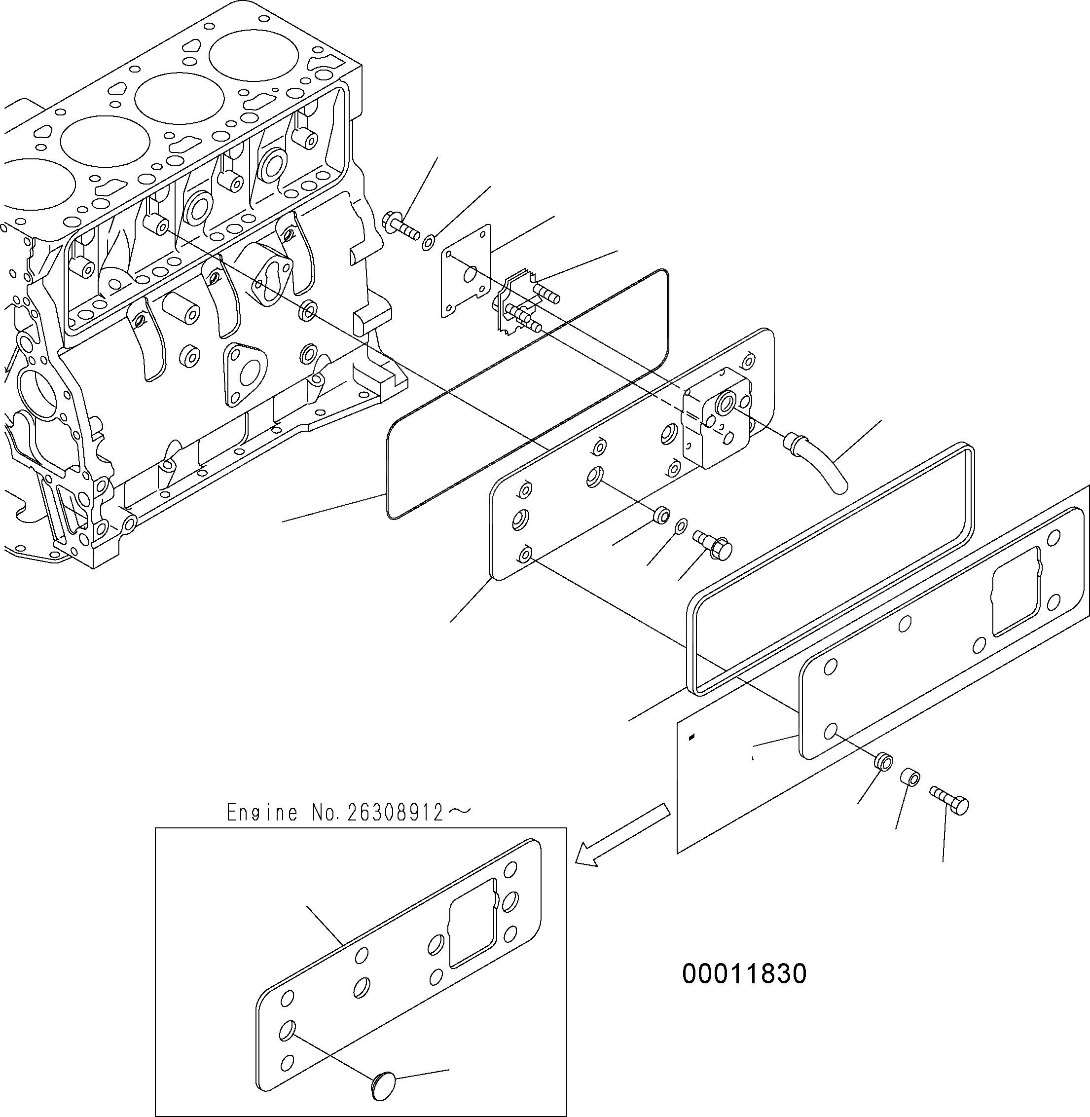
Запчасти Komatsu WA150-5 КРЫШКА ТОЛКАТЕЛЕЙ КЛАПАНА AA ДВИГАТЕЛЬ

Схема запчастей Komatsu WA150-5 - КРЫШКА ТОЛКАТЕЛЕЙ КЛАПАНА AA ДВИГАТЕЛЬ
10A
7
8
6
5
9
15
1
2
3
4
11
12
13
14
10
16
FIT
1:1
100%

Артикул

Название

Примечание

Количество

1

6732-11-8210

GASKET

SN: 26277757-UP

4шт.

2

6732-11-8150

WASHER

SN: 26277757-UP

4шт.

3

6738-21-6280

BOLT

SN: 26277757-UP

4шт.

3A

6737-21-6100

COVER ASSEMBLY

SN: 26277757-UP

1шт.

4

6737-21-6110

COVER

SN: 26277757-UP

1шт.

5

6738-21-7710

BREATHER

SN: 26277757-UP

1шт.

6

6738-21-7780

COVER

SN: 26277757-UP

1шт.

7

01435-00616

BOLT

SN: 26277757-UP

4шт.

8

01640-20610

WASHER

SN: 26277757-UP

4шт.

9

6738-21-7810

TUBE

SN: 26277757-UP

1шт.

10

6737-21-6620

PANEL

SN: 26308912-UP

1шт.

10A

6737-21-6610

COVER

SN: 26277757-26308911

1шт.

11

6737-21-6650

GROMME

SN: 26277757-UP

1шт.

12

6738-21-6660

GASKET

SN: 26277757-UP

6шт.

13

6738-21-6670

SPACER

SN: 26277757-UP

6шт.

14

6732-71-3220

BOLT

SN: 26277757-UP

6шт.

15

6737-21-6180

O-RING

SN: 26277757-UP

1шт.

16

6738-21-6680

GROMMET

SN: 26308912-UP

4шт.

Выбрано товаров: 18