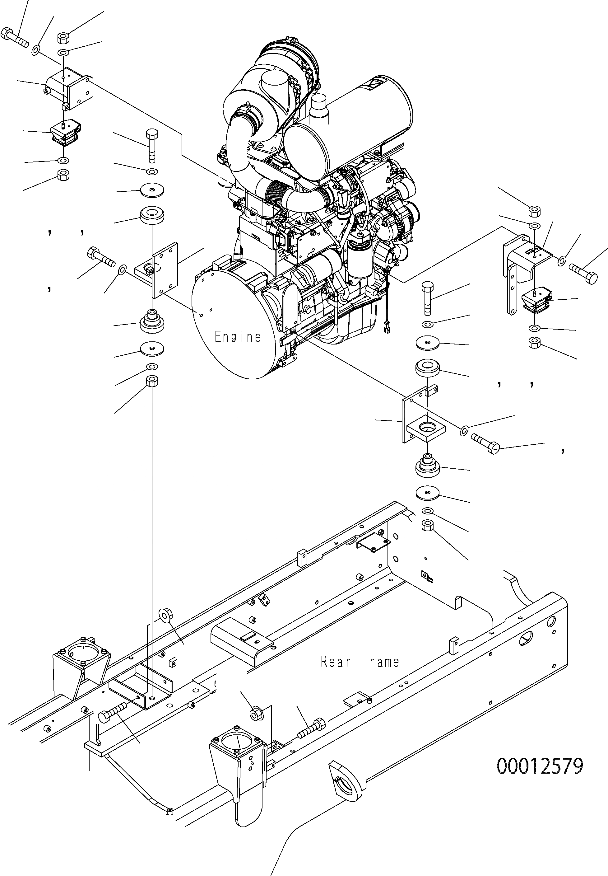
Запчасти Komatsu WA150-5 КРЕПЛЕНИЕ ДВИГАТЕЛЯ B КОМПОНЕНТЫ ДВИГАТЕЛЯ

Схема запчастей Komatsu WA150-5 - КРЕПЛЕНИЕ ДВИГАТЕЛЯ B КОМПОНЕНТЫ ДВИГАТЕЛЯ
9
10
19
20
8
15
18
16
20
19
14
19
5
20
7
13
22
23
1
6
15
3
21
18
4
16
13
20
14
19
14
13
22
23
16
4
17
2
3
21
13
14
16
17
12
12
11
11
FIT
1:1
100%

Артикул

Название

Примечание

Количество

1

416-01-31224

BRACKET

SN: H50001-UP

1шт.

2

416-01-31243

BRACKET

SN: H50001-UP

1шт.

3

01016-51235

BOLT

SN: H50001-UP

6шт.

4

01643-31232

WASHER

SN: H50001-UP

8шт.

5

416-01-31234

BRACKET

SN: H50001-UP

1шт.

6

01016-51235

BOLT

SN: H50001-UP

3шт.

7

01643-31232

WASHER

SN: H50001-UP

3шт.

8

416-01-31252

BRACKET

SN: H50001-UP

1шт.

9

01016-51235

BOLT

SN: H50001-UP

3шт.

10

01643-31232

WASHER

SN: H50001-UP

3шт.

11

01016-51040

BOLT

SN: H50001-UP

4шт.

12

01584-01008

NUT

SN: H50001-UP

4шт.

13

416-01-31170

CUSHION

SN: H50001-UP

2шт.

14

22T-01-12140

PLATE

SN: H50001-UP

4шт.

15

01011-61620

BOLT

SN: H50001-UP

2шт.

16

01643-31645

WASHER

SN: H50001-UP

4шт.

17

01580-01613

NUT

SN: H50001-UP

2шт.

18

20S-01-71331

CUSHION

SN: H50001-UP

2шт.

19

01580-11008

NUT

SN: H50001-UP

4шт.

20

203-54-56970

WASHER

SN: H50001-UP

4шт.

21

01016-51240

BOLT

SN: H50001-UP

2шт.

22

416-01-31180

CUSHION

SN: H50001-UP

2шт.

23

416-01-31190

CUSHION

SN: H50001-UP

2шт.

Выбрано товаров: 23