Запчасти Komatsu WA150-5-SS МОТОР (/) ОСНОВН. КОМПОНЕНТЫ И РЕМКОМПЛЕКТЫ

Схема запчастей Komatsu WA150-5-SS - МОТОР (/) ОСНОВН. КОМПОНЕНТЫ И РЕМКОМПЛЕКТЫ
1
2
3
FIT
1:1
100%

Артикул

Название

Примечание

Количество

|1

416-18-31801

MOTOR

SN: 65001-UP

1шт.

|$$2

THIS ASSEMBLY CONSISTS OF ALL PARTS SHOWN IN FIGS.Y1651-01A1 TO Y1651-06A1.

-1шт.

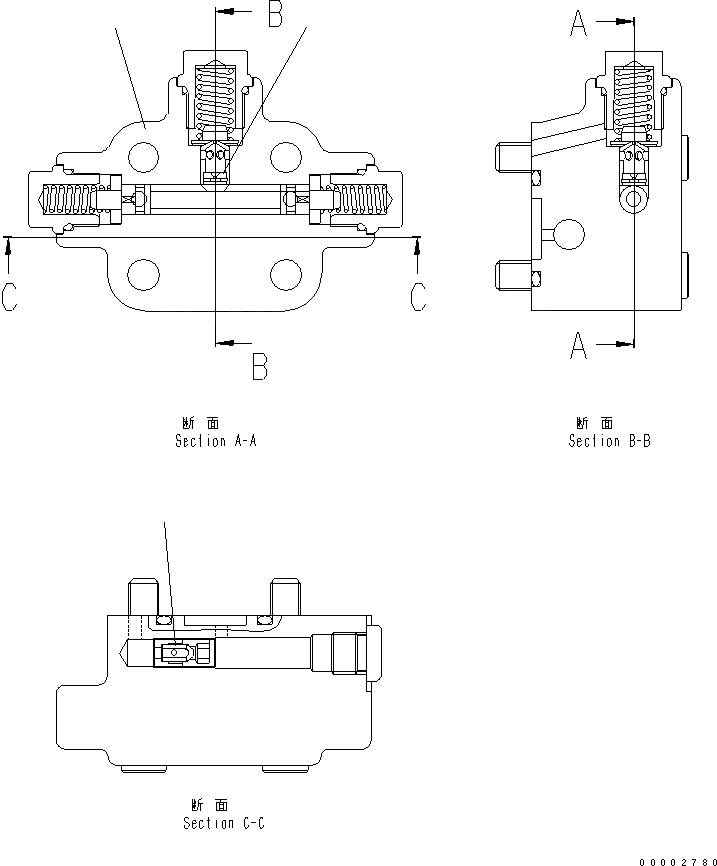
|1

UC4096037616

FLASHING VALVE

SN: 65001-UP

1шт.

1

UC4020028486

FLASHING VALVE

SN: 65001-UP

1шт.

2

UC4704466252

ORIFICE

SN: 65001-UP

1шт.

3

UC4704475917

ORIFICE

SN: 65001-UP

1шт.

Выбрано товаров: 6