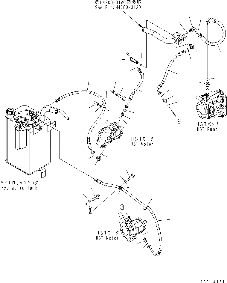
Запчасти Komatsu WA150-5-SS HST МАСЛ. ЛИНИЯ (ЛИНИЯ ОХЛАЖДЕНИЯ) ТРАНСМИССИЯ

Схема запчастей Komatsu WA150-5-SS - HST МАСЛ. ЛИНИЯ (ЛИНИЯ ОХЛАЖДЕНИЯ) ТРАНСМИССИЯ
1
2
3
4
5
6
7
8
9
10
11
12
13
14
15
16
17
18
19
20
21
22
23
24
25
26
27
28
29
30
31
32
33
34
35
36
37
38
39
40
41
42
FIT
1:1
100%

Артикул

Название

Примечание

Количество

1

21N-64-36620

NIPPLE

SN: 65001-UP

1шт.

2

07000-12018

O-RING

SN: 65001-UP

1шт.

3

02896-11015

O-RING

SN: 65001-UP

1шт.

4

416-18-33813

HOSE

SN: 65001-UP

1шт.

5

416-18-33720

TEE

SN: 65001-UP

1шт.

6

07002-12034

O-RING

SN: 65001-UP

1шт.

7

02896-11015

O-RING

SN: 65001-UP

1шт.

8

417-18-32190

NIPPLE

SN: 65001-UP

1шт.

9

07000-12018

O-RING

SN: 65001-UP

1шт.

10

02896-11015

O-RING

SN: 65001-UP

1шт.

11

416-18-33730

HOSE

SN: 65018-UP

1шт.

|11

02763-005A6

HOSE

SN: 65001-65017

1шт.

12

02782-10516

ELBOW

SN: 65001-UP

1шт.

13

07002-12034

O-RING

SN: 65001-UP

1шт.

14

02896-11015

O-RING

SN: 65001-UP

1шт.

15

418-18-32342

ELBOW

SN: 65001-UP

1шт.

16

07000-12018

O-RING

SN: 65001-UP

1шт.

17

02896-11015

O-RING

SN: 65001-UP

1шт.

18

416-18-33834

HOSE

SN: 65018-UP

1шт.

|18

416-18-33833

HOSE

SN: 65001-65017

1шт.

19

04434-53412

CLIP

SN: 65018-UP

1шт.

|19

04434-53212

CLIP

SN: 65001-65017

1шт.

20

07095-20523

CUSHION

SN: 65001-UP

1шт.

21

6152-51-5520

SPACER

SN: 65001-UP

1шт.

22

01010-81070

BOLT

SN: 65001-UP

1шт.

23

01643-31032

WASHER

SN: 65001-UP

1шт.

24

417-18-32190

NIPPLE

SN: 65001-UP

1шт.

25

07000-12018

O-RING

SN: 65001-UP

1шт.

26

02896-11015

O-RING

SN: 65001-UP

1шт.

27

416-18-33844

HOSE

SN: 65018-UP

1шт.

|27

416-18-33843

HOSE

SN: 65001-65017

1шт.

28

04434-52310

CLIP

SN: 65001-UP

1шт.

29

01010-81020

BOLT

SN: 65001-UP

2шт.

30

01643-31032

WASHER

SN: 65001-UP

2шт.

31

416-18-33891

BRACKET

SN: 65001-UP

2шт.

32

04434-53212

CLIP

SN: 65001-UP

1шт.

33

07095-20523

CUSHION

SN: 65001-UP

1шт.

34

01010-81025

BOLT

SN: 65001-UP

1шт.

35

01643-31032

WASHER

SN: 65001-UP

1шт.

36

418-18-32350

ELBOW

SN: 65001-UP

1шт.

37

07000-13024

O-RING

SN: 65001-UP

1шт.

38

02896-11018

O-RING

SN: 65001-UP

1шт.

39

416-18-33850

HOSE

SN: 65001-UP

1шт.

40

02782-10628

ELBOW

SN: 65001-UP

1шт.

41

07002-12434

O-RING

SN: 65001-UP

1шт.

42

02896-11018

O-RING

SN: 65001-UP

1шт.

Выбрано товаров: 46