Запчасти Komatsu WA150-6 ПЕРЕДАЧА, КОРПУС (№8-) ПЕРЕДАЧА, БЕЗ ЭКСТРЕНН. РУЛЕВ. УПРАВЛЕНИЕ, АВТОМАТИЧ. УПРАВЛ-Е ТИП

Схема запчастей Komatsu WA150-6 - ПЕРЕДАЧА, КОРПУС (№8-) ПЕРЕДАЧА, БЕЗ ЭКСТРЕНН. РУЛЕВ. УПРАВЛЕНИЕ, АВТОМАТИЧ. УПРАВЛ-Е ТИП
9
6
1
2
3
5
7
8
4
10
11
12
13
14
15
16
17
18
19
20
21
22
23
26
23
24
25
32
28
29
30
31
27
1
2
3
4
5
6
7
10
11
12
13
14
15
16
15
16
17
19
18
8
9
FIT
1:1
100%

Артикул

Название

Примечание

Количество

|$0

416-17-42000

Transfer Assembly

SN: 80069-UP

1шт.

|$1

416-17-32005

Transfer Assembly

SN: 80001-80068

1шт.

|$2

416-17-31103

Case Assembly

SN: 80001-UP

1шт.

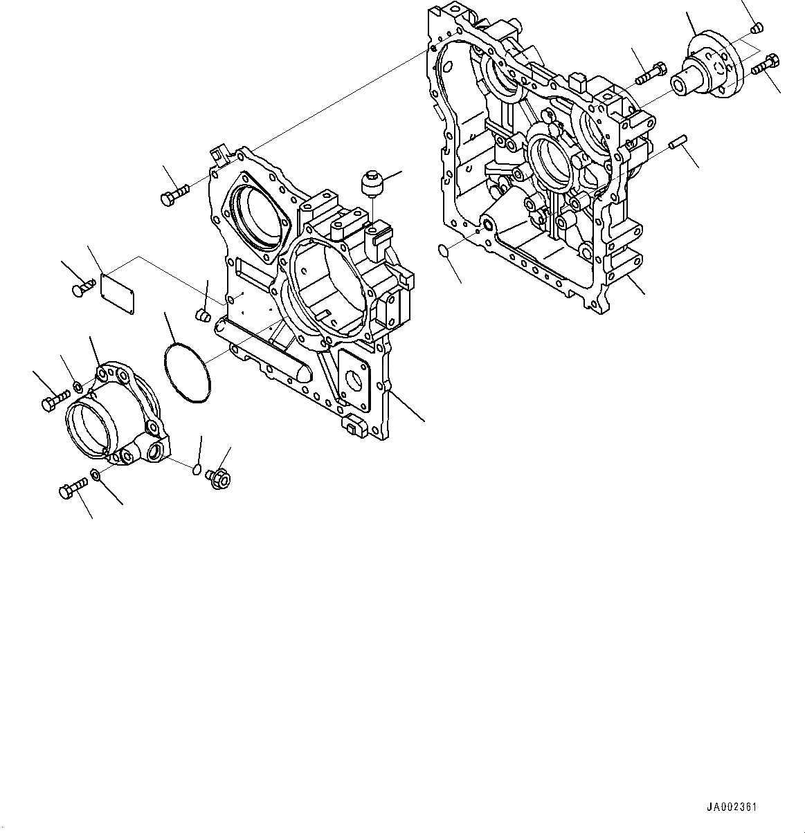
1

Case,Front

SN: 80001-UP

1шт.

2

Cab,Rear

SN: 80001-UP

1шт.

3

01010-81235

Bolt

SN: 80001-UP

17шт.

4

01010-81260

Bolt

SN: 80001-UP

1шт.

5

07000-73022

O-ring

SN: 80001-UP

1шт.

6

04020-01228

Pin, Dowel

SN: 80001-UP

2шт.

7

07043-70415

Plug

SN: 80001-UP

1шт.

8

07044-12412

Plug

SN: 80001-UP

1шт.

9

07002-62434

O-ring

SN: 80001-UP

1шт.

10

07030-00252

Breather

SN: 80001-UP

1шт.

11

416-17-32811

Shaft

SN: 80001-UP

1шт.

12

07043-A0211

Plug, Taper

SN: 80001-UP

2шт.

13

01010-81235

Bolt

SN: 80001-UP

3шт.

14

416-17-31131

Cage

SN: 80001-UP

1шт.

15

01010-81235

Bolt

SN: 80001-UP

6шт.

16

01643-31232

Washer

SN: 80001-UP

6шт.

17

07000-75110

O-ring

SN: 80001-UP

1шт.

18

09608-05080

Plate, Name (Limited Supply)

SN: 80001-UP

1шт.

19

04418-13060

Screw

SN: 80001-UP

4шт.

Выбрано товаров: 22