Запчасти Komatsu WA150-6 ПЕРЕДАЧА, ЭКСТРЕНН. РУЛЕВ. УПРАВЛЕНИЕ КОМПОНЕНТЫ (/) (№8-) ПЕРЕДАЧА, С ЭКСТРЕНН. УПРАВЛ., АВТОМАТИЧ. УПРАВЛ-Е ТИП

Схема запчастей Komatsu WA150-6 - ПЕРЕДАЧА, ЭКСТРЕНН. РУЛЕВ. УПРАВЛЕНИЕ КОМПОНЕНТЫ (/) (№8-) ПЕРЕДАЧА, С ЭКСТРЕНН. УПРАВЛ., АВТОМАТИЧ. УПРАВЛ-Е ТИП
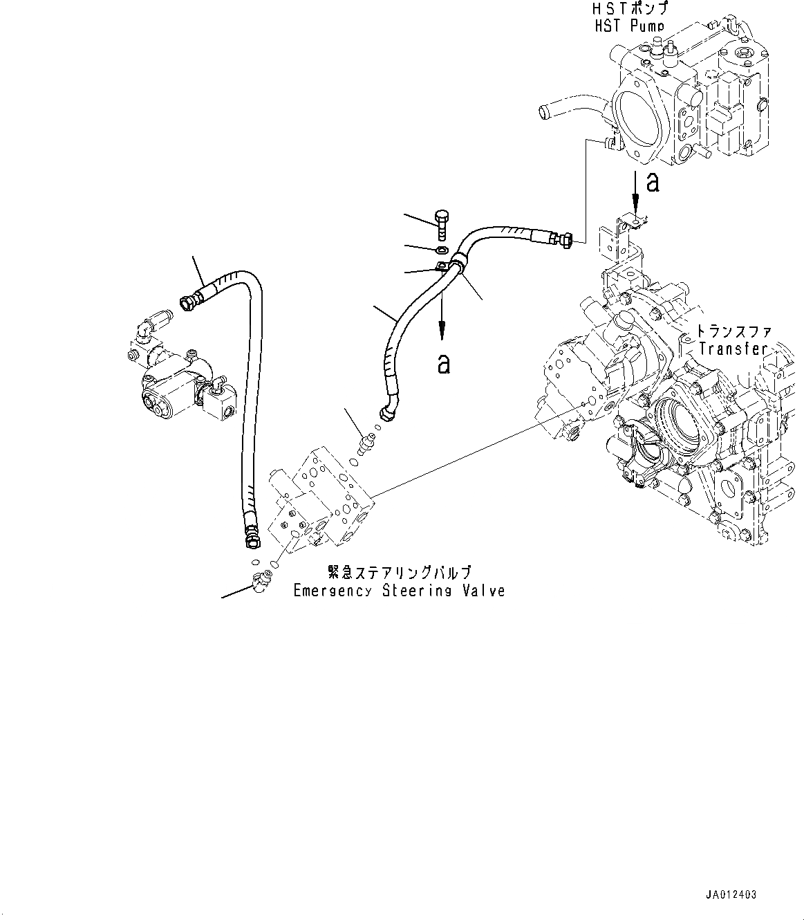
1
2
4
6
3
5
1
5
3
2
4
6
7
8
FIT
1:1
100%

Артикул

Название

Примечание

Количество

1

416-62-45130

Hose

SN: 80001-UP

1шт.

2

04434-52712

Clip

SN: 80001-UP

1шт.

3

07095-20418

Cushion

SN: 80001-UP

1шт.

4

01010-81025

Bolt

SN: 80001-UP

1шт.

5

01643-31032

Washer

SN: 80001-UP

1шт.

6

416-62-45350

Hose

SN: 80001-UP

1шт.

7

10P-62-11210

Union

SN: UP

-1шт.

8

419-62-34250

Elbow

SN: UP

-1шт.

Выбрано товаров: 8